Partiron

Yamaha YZ125T (YZ125T) 1987 ELECTRICAL 1 Diagram

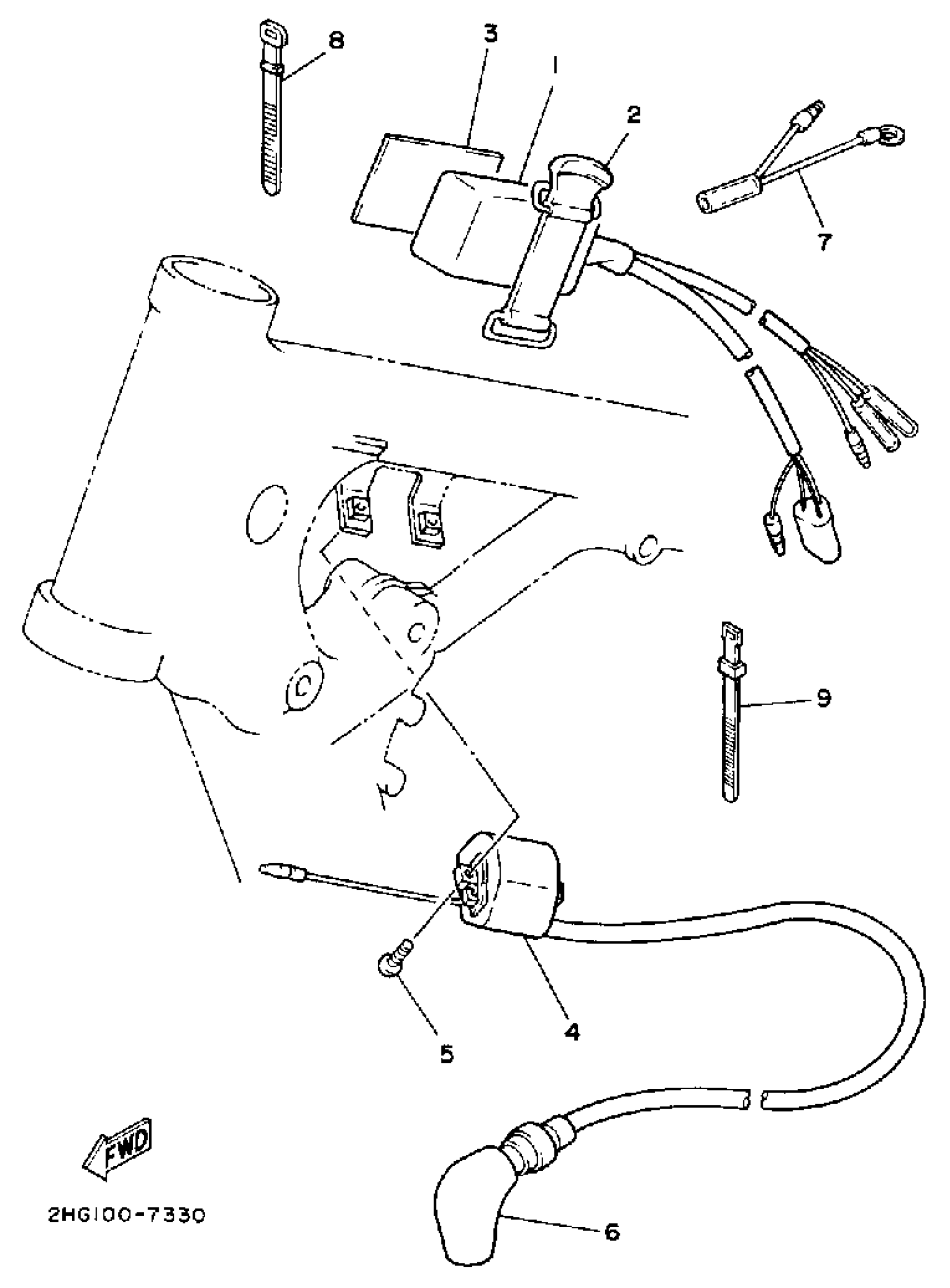
#

Description
Price

1

CDI UNIT ASSEMBLY

2HG-85540-K0-00

Unavailable

2

BAND, TOOL

21V-21376-00-00

$6.99

3

DAMPER

3RB-85547-01-00

Unavailable

4

IGNITION COIL ASSEMBLY

22W-82310-10-00

Unavailable

5

SCREW, PAN

98507-06014-00

$8.49

6

PLUG CAP ASSY

8DG-82370-00-00

$49.99

6

PLUG CAP ASSY

8DG-82370-00-00

$49.99

7

WIRE, EARTH LEAD

5X1-82519-01-00

Unavailable

8

BAND, SWITCH CORD

25G-83936-01-00

$4.78

9

BAND, SWITCH CORD

437-83936-11-00

$4.63