Partiron

Yamaha YZ125N (YZ125N) 1985 ELECTRICAL 1 Diagram

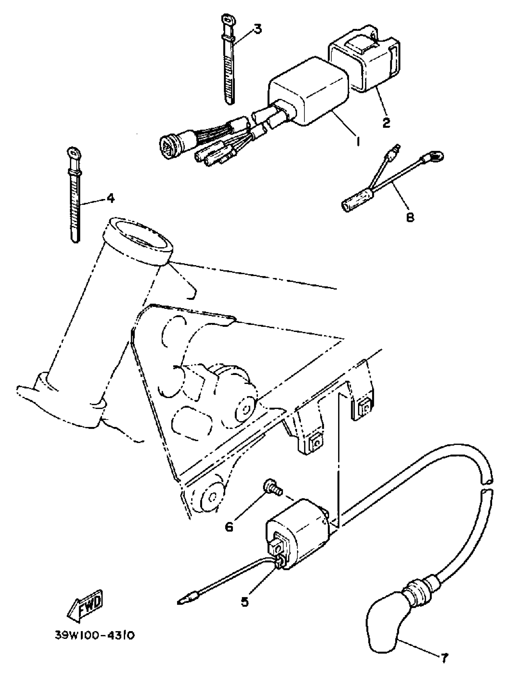
#

Description
Price

1

CDI UNIT ASSEMBLY

55Y-85540-10-00

Unavailable

2

BAND

2A7-85546-00-00

Unavailable

3

BAND, SWITCH CORD

25G-83936-01-00

$4.78

4

BAND, SWITCH CORD

437-83936-11-00

$4.63

5

IGNITION COIL ASSEMBLY

22W-82310-10-00

Unavailable

6

SCREW, PAN

98507-06014-00

$8.49

7

PLUG CAP ASSY

8DG-82370-00-00

$49.99

7

PLUG CAP ASSY

8DG-82370-00-00

$49.99

8

WIRE, EARTH LEAD

5X1-82519-01-00

Unavailable