- Partiron
- OEM Parts
- Yamaha
- motorcycle
- 2000
- YZ125M1 (YZ125) 5HD1 2000
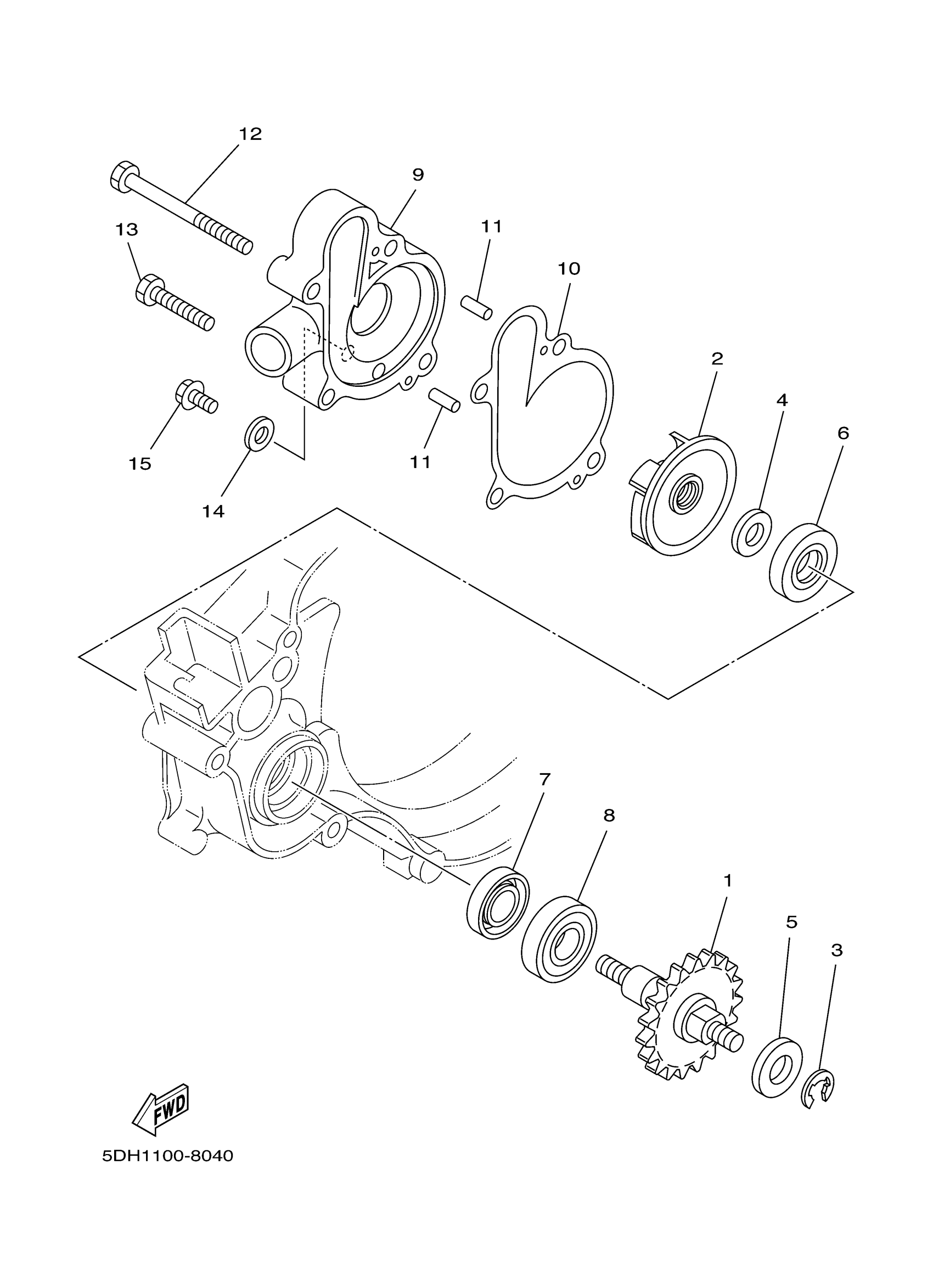
WATER PUMP
Yamaha YZ125M1 (YZ125) 5HD1 2000 WATER PUMP Diagram
#
Description
Price
9
COVER, HOUSING
4JY-12422-01-00
Unavailable
14
GASKET 256113960000
90430-06014-00
Unavailable
