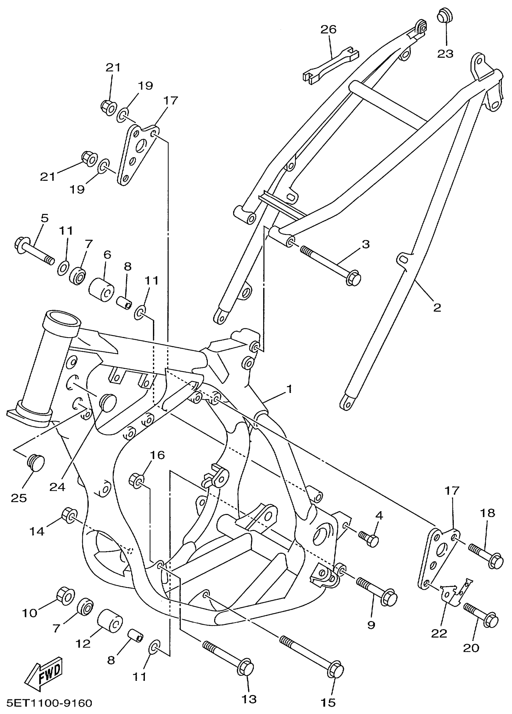
Yamaha YZ125L1 (YZ125) 5ET1 1999 FRAME Diagram
#
Description
Price
1
FRONT FRAME COMP.
5ET-21101-00-P1
Unavailable
2
REAR FRAME COMP.
5DH-21190-00-P0
Unavailable
17
BRACKET, REAR UPPER 1
4SS-21425-00-00
Unavailable
18
BOLT, FLANGE
95817-08050-00
Unavailable
19
WASHER, PLATE (12X)
90201-087F0-00
Unavailable
20
BOLT, WASHER BASED
90105-08225-00
Unavailable
21
NUT, SELF-LOCKING
90185-08169-00
Unavailable
22
BRACKET, C.D.I. UNIT
5DH-21274-00-00
Unavailable
23
GROMMET (1Y8)
90480-17218-00
Unavailable
24
PLUG(8CJ)
90338-30256-00
Unavailable
25
PLUG (7Y6)
90338-21145-00
Unavailable
26
WRENCH, HEXAGON
5ET-28166-10-00
Unavailable
