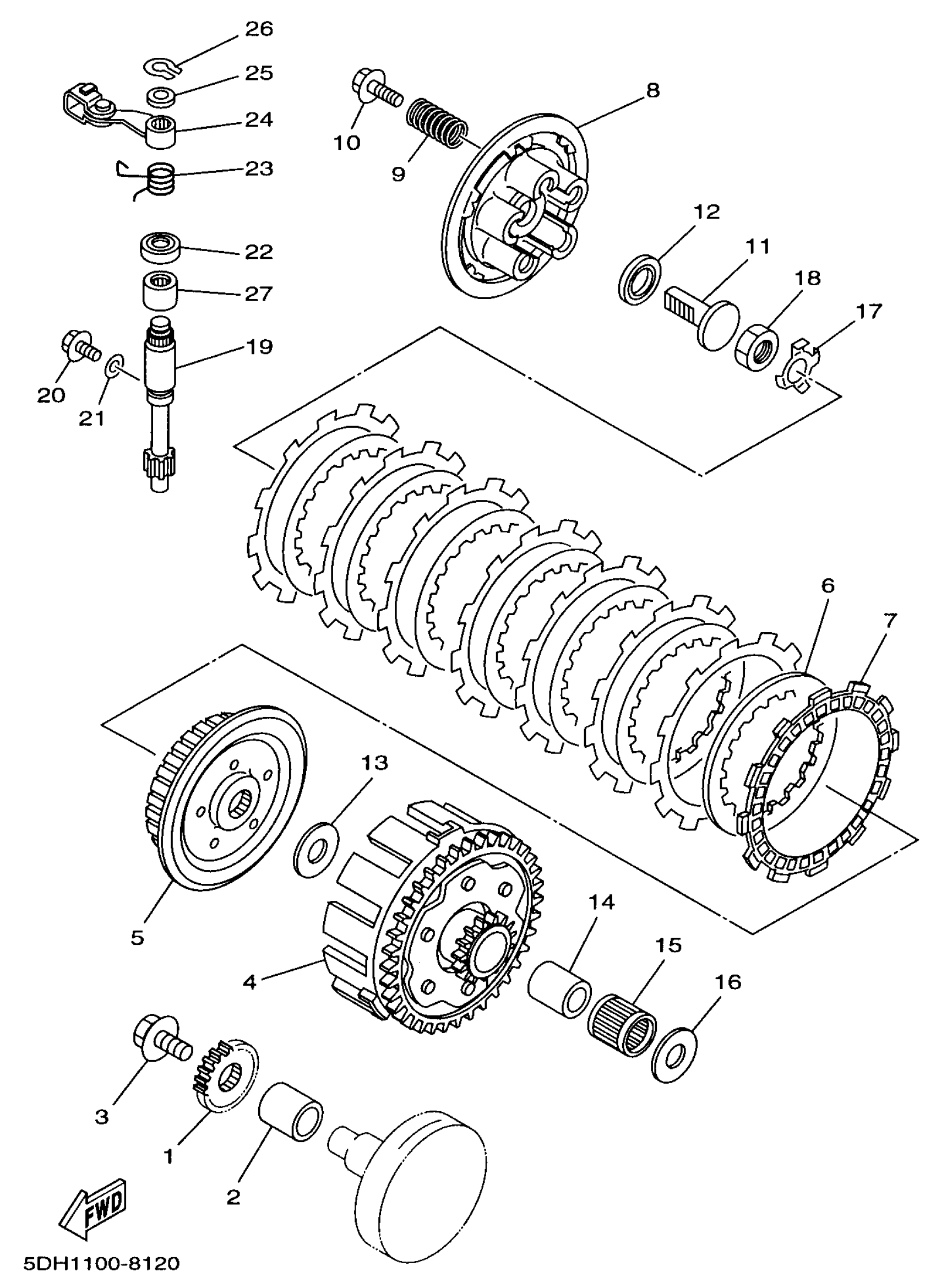
Yamaha YZ125K1 (YZ125) 5DH1 1998 CLUTCH Diagram
#
Description
Price
1
GEAR, PRIMARY DRIVE
3XJ-16111-00-00
Unavailable
8
PLATE, PRESSURE 1
4EX-16351-00-00
Unavailable
11
ROD, PUSH 1
3SB-16356-10-00
Unavailable
14
SPACER 1
3XJ-16181-00-00
Unavailable
17
WASHER, LOCK(4KB)
90215-16289-00
Unavailable
18
NUT, HEXAGON (30X)
90170-16326-00
Unavailable
19
AXLE, PUSH LEVER
4EX-16382-00-00
Unavailable
20
BOLT (583 TACHOMETER)
90109-06418-00
Unavailable
21
GASKET 256113960000
90430-06014-00
Unavailable
22
OIL SEAL (4G0)
93102-12224-00
Unavailable
23
SPRING, TORSION(4XM)
90508-141B4-00
Unavailable
24
PUSH LEVER ASSY
3JD-16340-00-00
Unavailable
25
WASHER, PLAIN(735)
90201-10119-00
Unavailable
26
CIRCLIP(10W)
99009-10400-00
Unavailable
27
BRG,CYL-CAL ROLLER 6G TM
93315-11206-00
Unavailable
