- Partiron
- OEM Parts
- Yamaha
- motorcycle
- 1983
- YZ125K (YZ125K_L) 1983
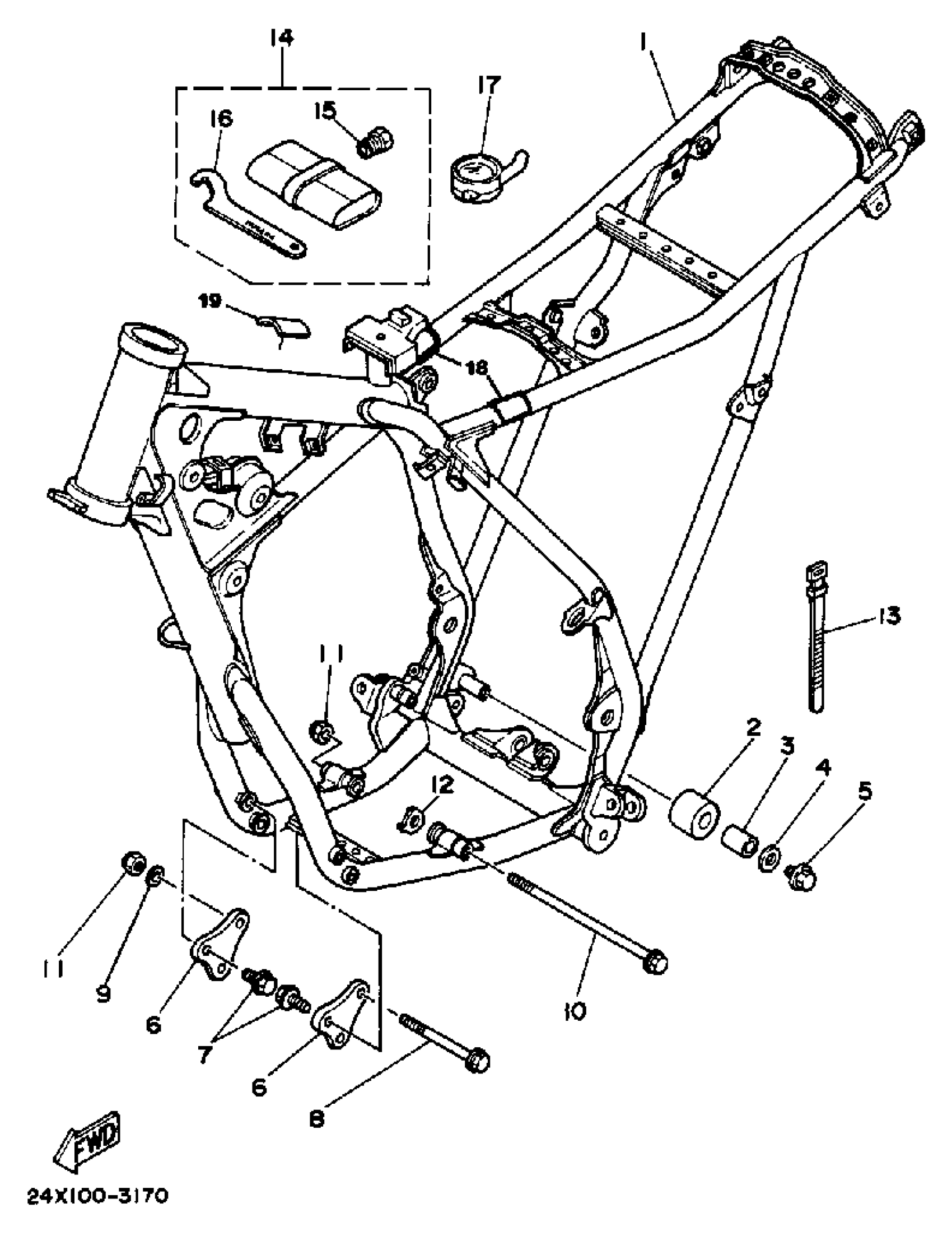
FRAME TOOL
Yamaha YZ125K (YZ125K_L) 1983 FRAME TOOL Diagram
#
Description
Price
1
FRAME
(24X-21110-00-33)
Unavailable
1
FRAME
(39W-21110-00-33)
Unavailable
2
UNAVAILABLE IN PRICE BOOK (22W-22178-01)
30X-22178-01-00
Unavailable
6
BRACKET, ENGINE 2
24X-21419-01-00
Unavailable
6
BRACKET, ENGINE 2
39W-21419-00-00
Unavailable
9
WASHER, PLAIN
92990-08200-00
Unavailable
10
BOLT, WASHER BASED
90105-08326-00
Unavailable
12
WASHER, CLAW
90214-09019-00
Unavailable
13
BAND, SWITCH CORD
437-83936-11-00
Unavailable
14
TOOL KIT
39W-W2810-00-00
Unavailable
14
TOOL KIT
(39W-28100-00-00)
Unavailable
15
TOOL
UNA-VAILA-BL-EI
Unavailable
16
SPANNER, SPECIAL
10V-28135-00-00
Unavailable
16
SPANNER,SPECIAL
1HX-28135-00-00
Unavailable
17
GAUGE, AIR
2X4-2811A-01-00
Unavailable
18
DAMPER, LOCATING 2
3G2-24182-00-00
Unavailable
19
DAMPER, TANK LOCATING
583-24182-00-00
Unavailable
