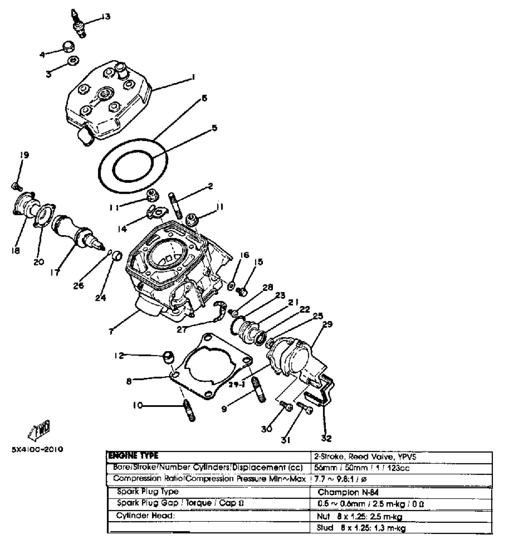
Yamaha YZ125J (YZ125J) 1982 CYLINDER Diagram
#
Description
Price
1
HEAD, CYLINDER 1
5X4-11111-00-00
Unavailable
1
GASKET,YPVS HOUSIN
5X4-11993-01-00
Unavailable
6
O-RING (5X4)
93211-24507-00
Unavailable
7
CYLINDER 1
5X4-11311-00-00
Unavailable
8
GASKET, CYLINDER
5X4-11351-01-00
Unavailable
13
B9EG NGK SPLUG 4PK
B9E-G0000-00-00
Unavailable
14
HOLDER 1
4V2-1131E-00-00
Unavailable
15
BOLT, FLANGE
95817-06010-00
Unavailable
16
GASKET (4V2)
90430-06166-00
Unavailable
17
VALVE 1
5X4-1131A-00-00
Unavailable
18
HOLDER 1
5X4-W1132-00-00
Unavailable
19
SCREW, PAN
98517-05012-00
Unavailable
20
GASKET, HOLDER
5X4-1131N-10-00
Unavailable
21
HOLDER 2 ASSY
5X4-Y113F-10-00
Unavailable
22
OIL SEAL (5X4)
93104-16074-00
Unavailable
23
O-RING(2HG)
93210-270A8-00
Unavailable
24
COLLAR(3JE)
90387-102W0-00
Unavailable
25
BOSS, COLLAR
5X5-11937-00-00
Unavailable
26
O-RING (341)
93210-09192-00
Unavailable
27
PLATE, THRUST 1
55Y-11915-00-00
Unavailable
28
SCREW, PAN HEAD(3LA)
98517-05010-00
Unavailable
29
HOUSING 2
5X4-11992-01-00
Unavailable
30
SCREW, PAN HEAD
90157-05M19-00
Unavailable
31
SCREW, PAN HEAD(4MY)
98507-05025-00
Unavailable
32
SEAL, HOUSING
5X4-11995-00-00
Unavailable
