- Partiron
- OEM Parts
- Yamaha
- motorcycle
- 1981
- YZ125H (YZ125H) 1981
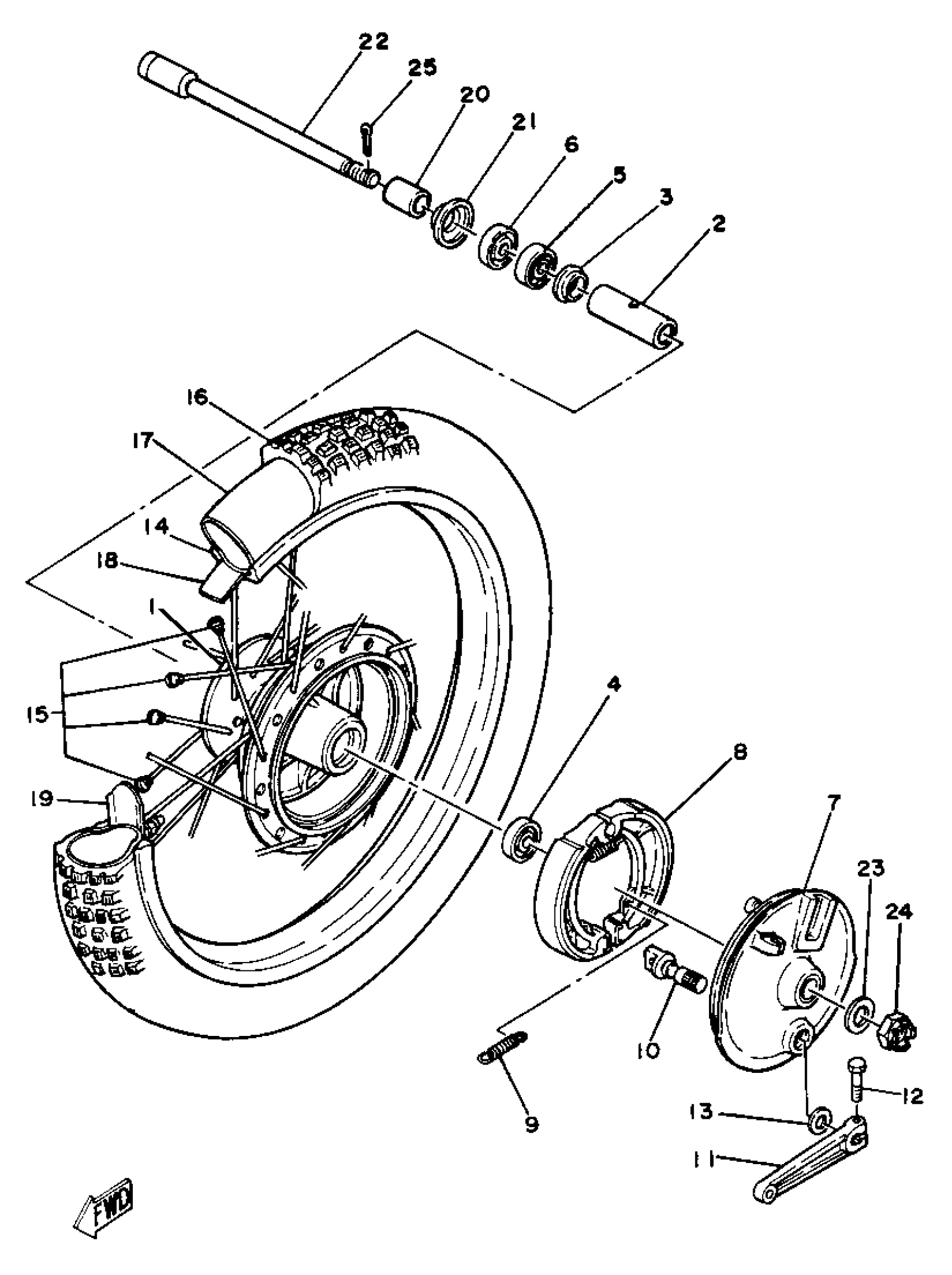
FRONT WHEEL
Yamaha YZ125H (YZ125H) 1981 FRONT WHEEL Diagram
#
Description
Price
1
HUB, FRONT
1K7-25111-10-98
Unavailable
2
SPACER
90560-15116-00
Unavailable
7
BRAKE SHOE PLT ASSEMBLY (1W1-25121-02-98)
1W1-25016-11-98
Unavailable
9
SPRING (5T9)
90506-17328-00
Unavailable
10
LEVER, CAMSHAFT 1
322-25155-00-00
Unavailable
11
LEVER, CAMSHAFT 1
322-25155-00-00
Unavailable
13
SEAL, CAMSHAFT
137-25159-00-00
Unavailable
14
RIM 1.60X21
94416-21320-00
Unavailable
15
SPOKE SET, FRONT
2W6-25104-02-00
Unavailable
16
300-21 MARK 2 (TT)
(94130-21654-00)
Unavailable
17
TUBE
94230-21126-00
Unavailable
18
BAND, RIM
(94330-21088-00)
Unavailable
19
SPACER, BEAD
1T1-25194-00-00
Unavailable
20
COLLAR (34L)
90387-152J3-00
Unavailable
21
COVER, HUB DUST
322-25118-00-00
Unavailable
22
AXLE, WHEEL
(3R3-25181-00-00)
Unavailable
23
WASHER, PLATE (3Y2)
90201-15785-00
Unavailable
24
NUT, CASTLE(2UJ)
90171-14056-00
Unavailable
25
PIN, COTTER
91490-30030-00
Unavailable
