- Partiron
- OEM Parts
- Yamaha
- motorcycle
- 1995
- YZ125G1 (YZ125) 1995
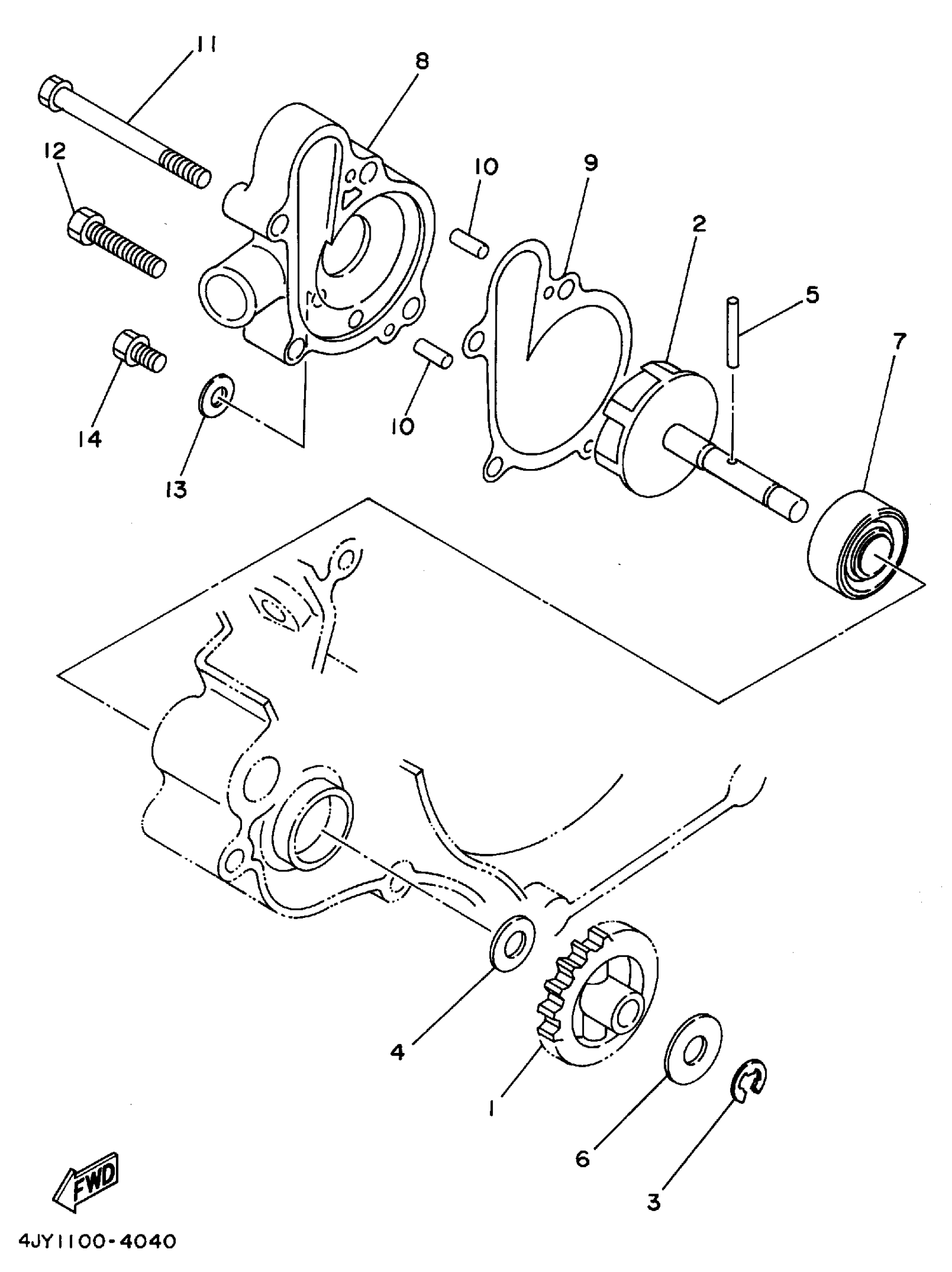
WATER PUMP
Yamaha YZ125G1 (YZ125) 1995 WATER PUMP Diagram
#
Description
Price
1
GEAR,IMPELLER SHAFT
4SS-12459-00-00
Unavailable
3
CIRCLIP
99080-07600-00
Unavailable
8
COVER, HOUSING
4JY-12422-01-00
Unavailable
