Partiron

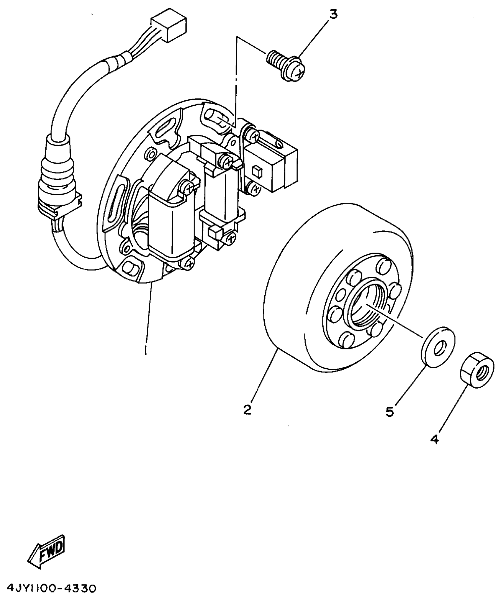
Yamaha YZ125G1 (YZ125) 1995 GENERATOR Diagram

#

Description
Price

1

STATOR ASSEMBLY

4JY-85510-00-00

Unavailable

2

ROTOR ASSEMBLY

4JY-85550-00-00

Unavailable

3

SCREW 256241430000

90149-06011-00

$5.60

4

NUT(6TD)

95337-10600-00

$9.49

5

WASHER, PLATE (3L6)

90201-10774-00

$9.49