- Partiron
- OEM Parts
- Yamaha
- motorcycle
- 1978
- YZ125E (YZ125E_F_G) 1978
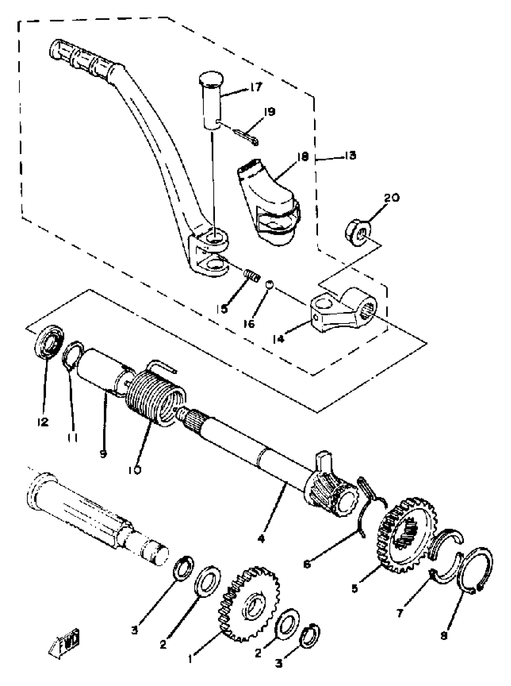
STARTER YZ125G
Yamaha YZ125E (YZ125E_F_G) 1978 STARTER YZ125G Diagram
#
Description
Price
1
GEAR, KICK IDLE
3R3-15651-01-00
Unavailable
4
KICK AXLE ASSEMBLY
3R3-15660-00-00
Unavailable
5
GEAR, KICK
3R3-15641-00-00
Unavailable
9
SPACER
3R3-15666-00-00
Unavailable
10
SPRING, TORSION
90508-26427-00
Unavailable
13
KICK CRANK ASSEMBLY
3R3-15620-00-00
Unavailable
14
BOSS,KICK CRANK
39W-15621-01-00
Unavailable
16
BALL (12R)
93507-32031-00
Unavailable
17
. PIN, CLEVIS
91702-12040-00
Unavailable
18
. COVER, KICK LEVER
3R3-15618-01-00
Unavailable
19
. PIN, COTTER
91401-40020-00
Unavailable
20
NUT, FLANGE(3BM)
95704-10500-00
Unavailable
