Partiron

Yamaha YZ125B (YZ125B) 1975 ELECTRICAL 1 Diagram

#

Description
Price

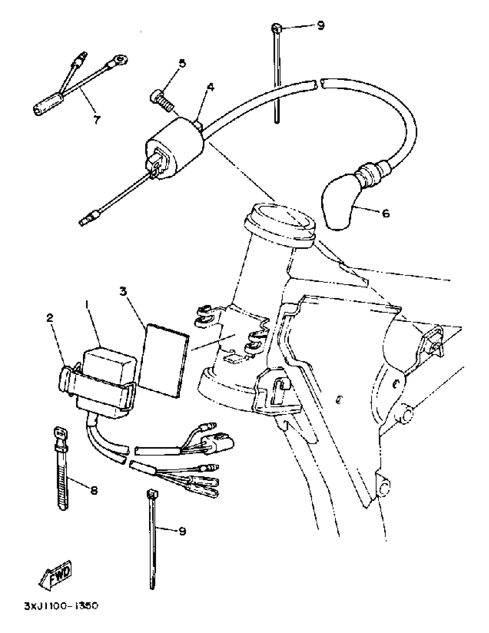
1

CDI UNIT ASSEMBLY

3SR-85540-10-00

Unavailable

2

BAND, TOOL

21V-21376-00-00

$6.99

3

DAMPER

3RB-85547-01-00

Unavailable

4

IGNITION COIL ASSY

3SR-82310-10-00

Unavailable

5

BOLT, HEXAGON DEEP RECESS

97D95-06016-00

$2.76

6

PLUG CAP ASSY

8DG-82370-00-00

$49.99

6

PLUG CAP ASSY

8DG-82370-00-00

$49.99

7

WIRE, EARTH LEAD

5X1-82519-01-00

Unavailable

8

BAND, SWITCH CORD

25G-83936-01-00

$4.78

9

BAND

1UA-82591-00-00

$4.78