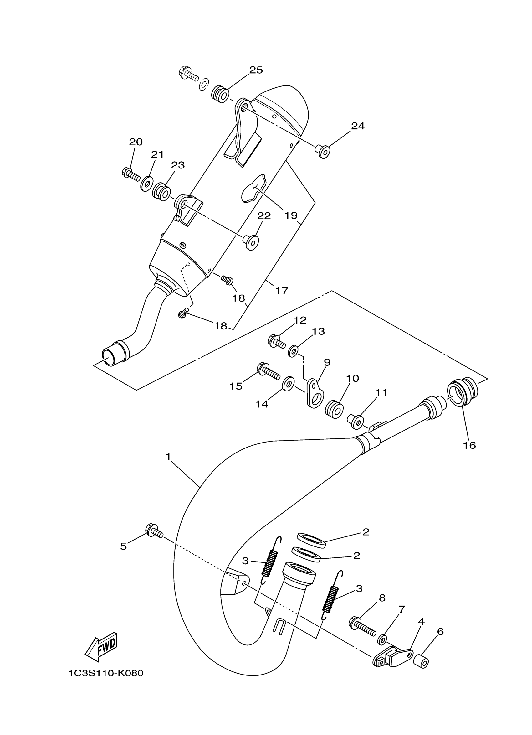
Yamaha YZ125A1 (YZ125) 1C3S 2011 EXHAUST Diagram
#
Description
Price
16
JOINT, EXHAUST 1
4JY-14615-00-00
Unavailable
17
SILENCER, EXHAUST
1C3-14753-00-00
Unavailable
18
BOLT, BUTTON HEAD
92012-06010-00
Unavailable
19
FIBER
1C3-1469A-00-00
Unavailable
20
BOLT, FLANGE
95022-06030-00
Unavailable
21
WASHER, PLATE
90201-06086-00
Unavailable
22
COLLAR
90387-06121-00
Unavailable
23
GROMMET
90480-17004-00
Unavailable
24
COLLAR
90387-06039-00
Unavailable
25
GROMMET(36Y)
90480-16404-00
Unavailable
