- Partiron
- OEM Parts
- Yamaha
- motorcycle
- 1974
- YZ125A (YZ125A) 1974
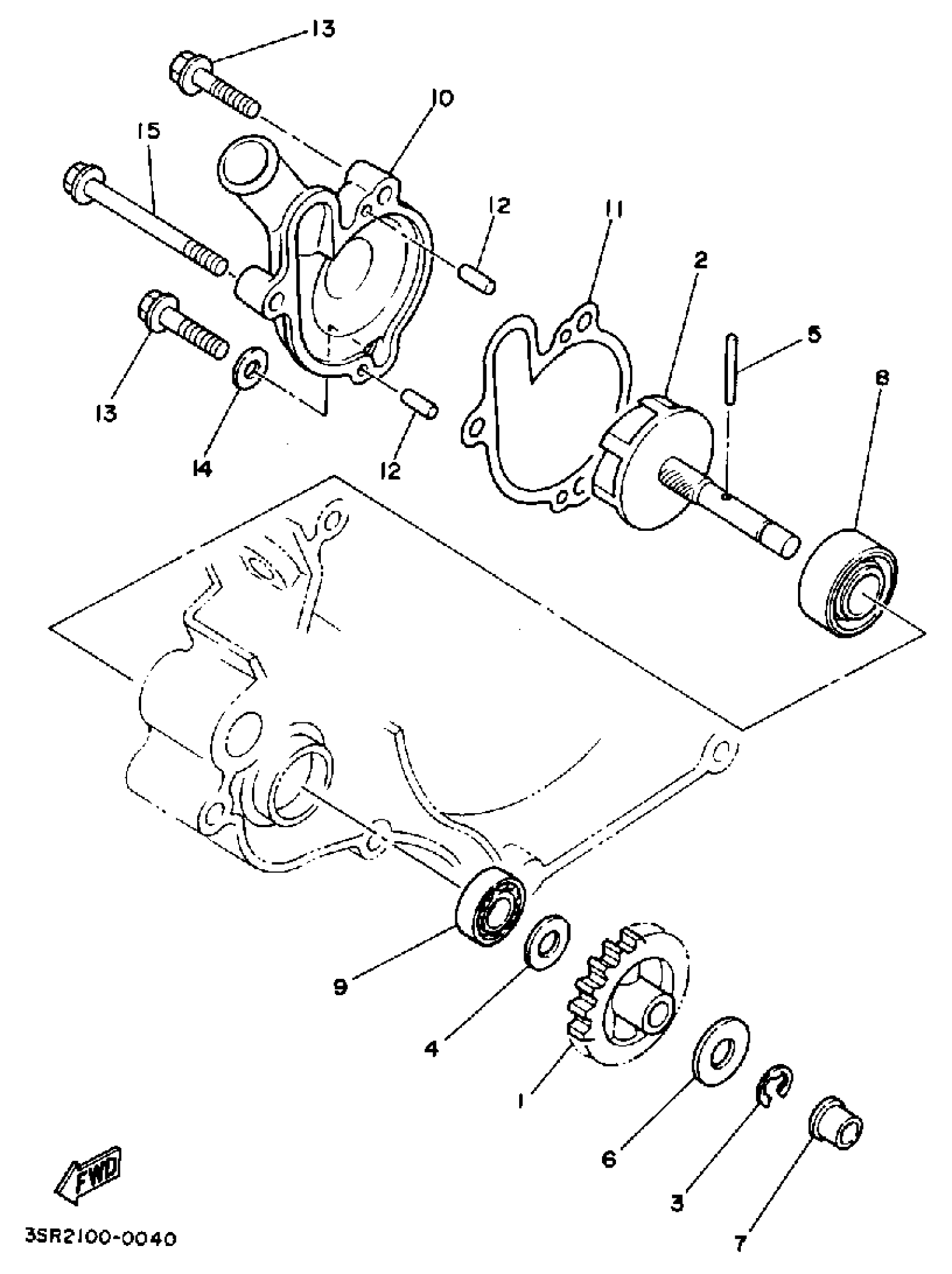
WATER PUMP
Yamaha YZ125A (YZ125A) 1974 WATER PUMP Diagram
#
Description
Price
1
GEAR, IMPELLER SHAF
3JD-12459-00-00
Unavailable
3
CIRCLIP
99080-07600-00
Unavailable
10
COVER, HOUSING
2VN-12422-01-00
Unavailable
