- Partiron
- OEM Parts
- Yamaha
- motorcycle
- 1974
- YZ125A (YZ125A) 1974
SHIFTER 2 YZ125C
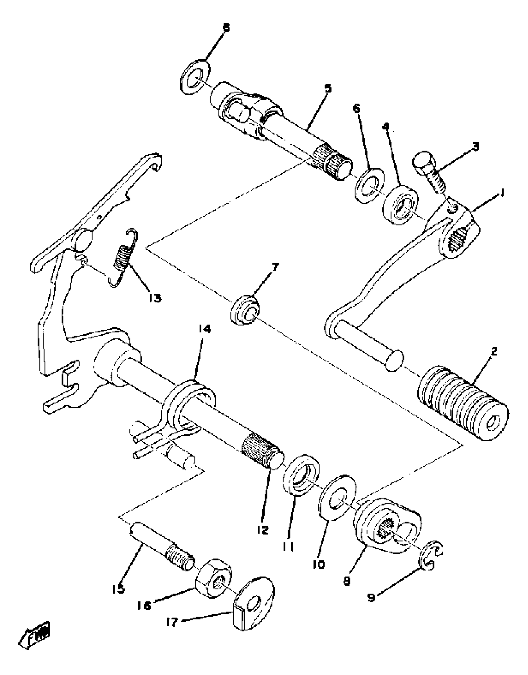
Yamaha YZ125A (YZ125A) 1974 SHIFTER 2 YZ125C Diagram
#
Description
Price
1
PEDAL, CHANGE
2W5-18111-00-00
Unavailable
5
SHIFT SHAFT ASY 2
401-18102-02-00
Unavailable
8
LEVER, CHANGE 4
401-18152-01-00
Unavailable
12
SHIFT SHAFT ASSEMBLY.1
525-18101-01-00
Unavailable
13
SPRING TENSION 132181230000
90506-09009-00
Unavailable
14
SPRING TORSION 353181240000
90508-32054-00
Unavailable
15
SCREW, SPEC''L SHAPE
90149-08096-00
Unavailable
16
NUT (583)
90170-08193-00
Unavailable
17
WASHER LOCK 248181390000
90215-08014-00
Unavailable
