- Partiron
- OEM Parts
- Yamaha
- motorcycle
- 1974
- YZ125A (YZ125A) 1974
SHIFTER 2 YZ125A - B
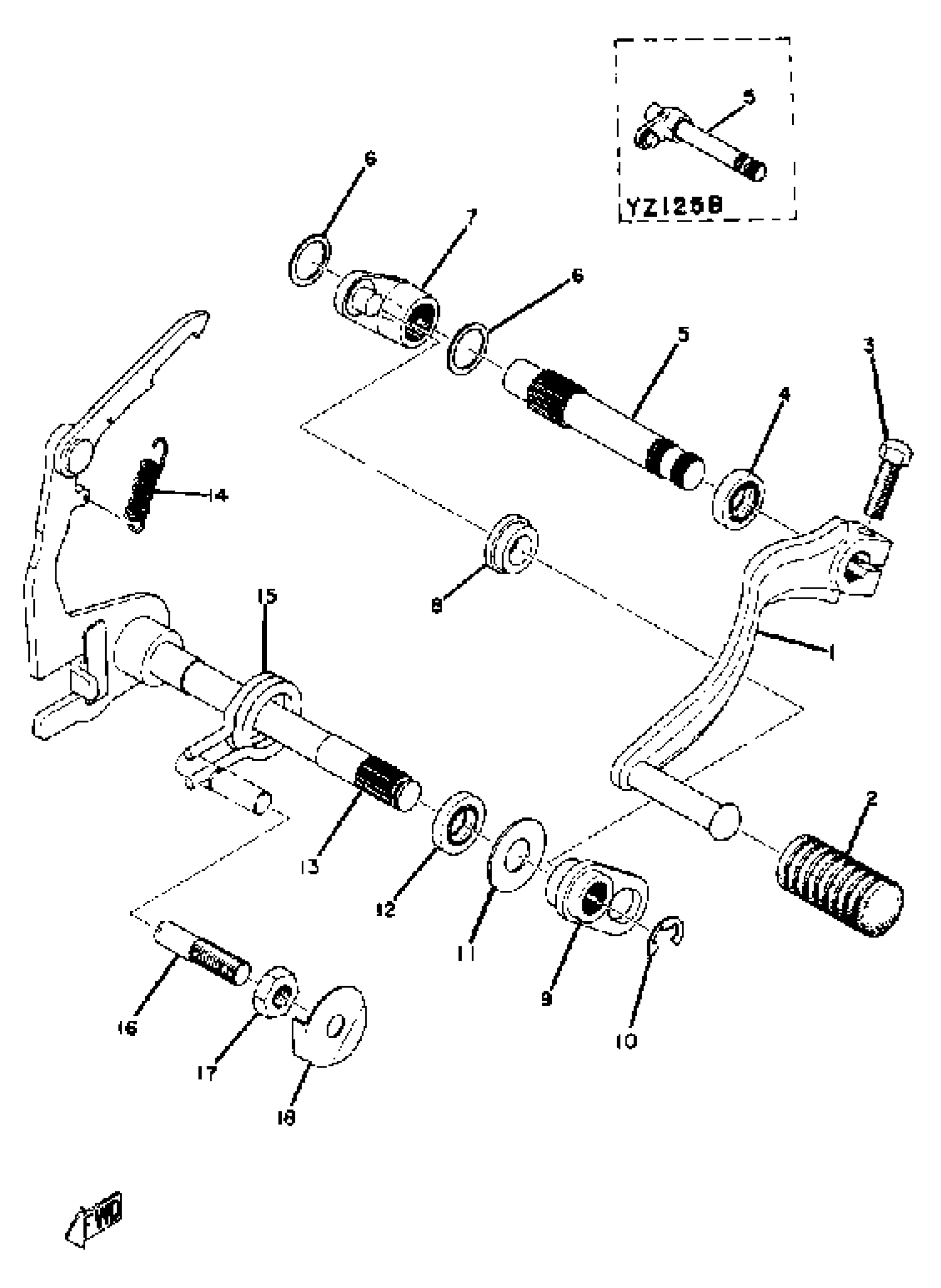
Yamaha YZ125A (YZ125A) 1974 SHIFTER 2 YZ125A - B Diagram
#
Description
Price
1
PEDAL, SHIFT
1X0-18111-00-00
Unavailable
5
SHIFT SHAFT ASY 2
401-18102-02-00
Unavailable
5
SHAFT,SHIFT 2
401-18155-02-00
Unavailable
6
SHIM
(136-18334-00-00)
Unavailable
7
LEVER, SHIFT 3
401-18151-00-00
Unavailable
9
LEVER, CHANGE 4
401-18152-01-00
Unavailable
13
SHIFT SHAFT ASSEMBLY
558-18101-00-00
Unavailable
14
SPRING TENSION 132181230000
90506-09009-00
Unavailable
15
SPRING TORSION 132181240000
90508-32207-00
Unavailable
16
SCREW, ADJUSTING (367)
90149-08094-00
Unavailable
17
NUT (583)
90170-08193-00
Unavailable
18
WASHER LOCK 248181390000
90215-08014-00
Unavailable
