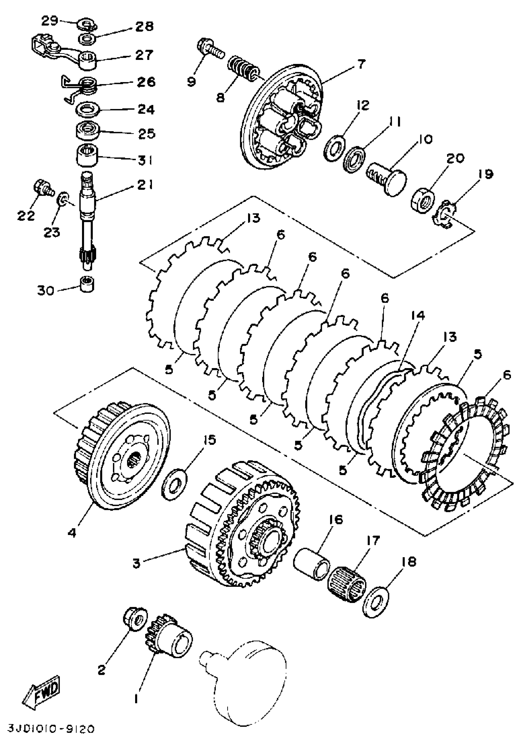
Yamaha YZ125A (YZ125A) 1974 CLUTCH Diagram
#
Description
Price
1
GEAR, PRI DRIVE
3SR-16111-00-00
Unavailable
2
NUT, SPECIAL SHAPE
90179-12373-00
Unavailable
3
PRI DRVN GEAR
3JD-16150-00-00
Unavailable
4
BOSS, CLUTCH
3JD-16371-00-00
Unavailable
5
PLATE, CLUTCH 1
24X-16324-00-00
Unavailable
6
PLATE, FRICTION
3JD-16321-00-00
Unavailable
7
PLATE, PRESSURE 1
3JD-16351-00-00
Unavailable
10
. ROD, PUSH 1
4H7-16356-01-00
Unavailable
14
SPRING, CLUTCH BOSS
3JD-16383-00-00
Unavailable
15
WASHER, PLATE
90201-174F7-00
Unavailable
16
SPACER
90560-17335-00
Unavailable
17
BEARING, CYLINDER.#10
93310-323T6-00
Unavailable
18
WASHER, PLATE (4V2)
90201-174E1-00
Unavailable
19
WASHER, LOCK (25G)
90215-14186-00
Unavailable
20
NUT, HEXAGON
90170-14171-00
Unavailable
21
AXLE, PUSH LEVER
3JD-16382-00-00
Unavailable
22
BOLT (583 TACHOMETER)
90109-06418-00
Unavailable
23
GASKET 256113960000
90430-06014-00
Unavailable
24
WASHER PLATE 102181410000
90201-12474-00
Unavailable
25
OIL SEAL (3X3)
93102-15212-00
Unavailable
26
SPRING, TORSION
90508-14767-00
Unavailable
27
PUSH LEVER ASSY
3JD-16340-00-00
Unavailable
28
WASHER, PLAIN(735)
90201-10119-00
Unavailable
29
CIRCLIP(10W)
99009-10400-00
Unavailable
30
BEARING
93315-10838-00
Unavailable
31
BRG,CYL-CAL ROLLER 16G TM
93315-31502-00
Unavailable
