- Partiron
- OEM Parts
- Yamaha
- motorcycle
- 1974
- YZ125A (YZ125A) 1974
C - D - I - MAGNETO YZ125C
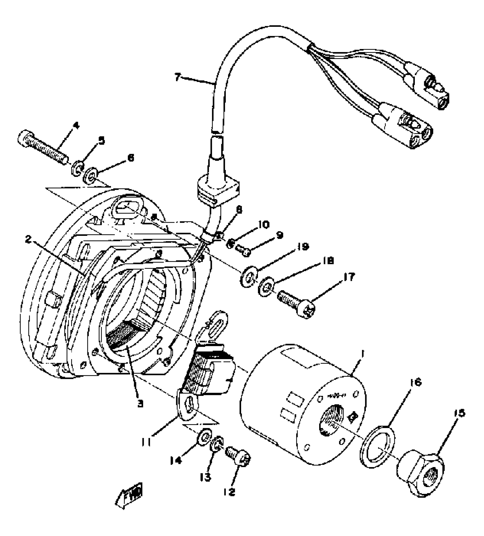
Yamaha YZ125A (YZ125A) 1974 C - D - I - MAGNETO YZ125C Diagram
#
Description
Price
1
ROTOR ASSEMBLY
(401-85550-10-00)
Unavailable
1
CDI MAGNETO ASSEMBLY
(537-85500-10-00)
Unavailable
2
COIL, CHARGE 1
431-85566-10-00
Unavailable
2
STATOR ASSEMBLY
(537-85510-10-00)
Unavailable
3
COIL, CHARGE 2
431-85567-10-00
Unavailable
6
. WASHER, PLAIN
92990-05200-00
Unavailable
7
LEAD WIRE ASSEMBLY
(537-85515-10-00)
Unavailable
8
. CLAMP
109-81328-11-00
Unavailable
11
. COIL PULSER
364-85543-10-00
Unavailable
12
SCREW, PAN HEAD(62X)
97885-05010-00
Unavailable
14
. WASHER, PLAIN
92990-05200-00
Unavailable
15
. NUT, ROTOR
322-85553-10-00
Unavailable
16
. WASHER, ROTOR
322-85554-10-00
Unavailable
17
SCREW PAN HEAD
98580-06020-00
Unavailable
18
YBS66-6 WASHER, PLAIN
92990-06200-00
Unavailable
19
WASHER, PLATE
90201-06045-00
Unavailable
