Yamaha YZ100J (YZ100J) 1982 CLUTCH Diagram
#
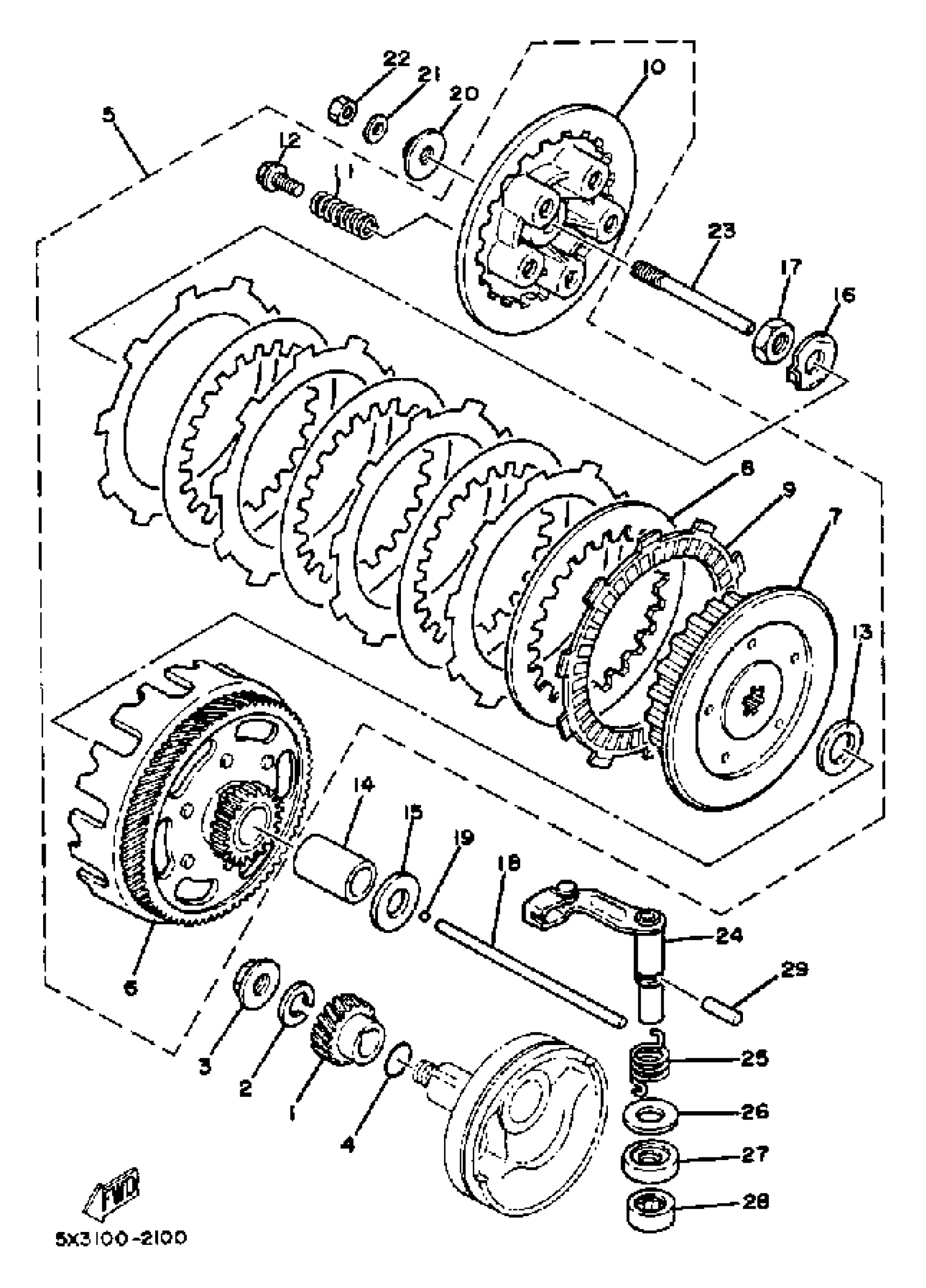
Description
Price
1
GEAR, PRI DRIVE (18T)
3R3-16111-00-00
Unavailable
3
NUT (4V2)
90179-12335-00
Unavailable
5
CLUTCH ASSEMBLY
(3R3-16300-00-00)
Unavailable
6
. PRI DRVN GEAR (62T)
3R3-16150-00-00
Unavailable
7
. BOSS, CLUTCH
1G8-16371-00-00
Unavailable
8
. PLATE, CLUTCH 2
3R3-16325-00-00
Unavailable
10
. PLATE, PRESSURE 1
1W1-16351-00-00
Unavailable
14
SPACER
90560-17190-00
Unavailable
16
WASHER, LOCK (2K6)
90215-14204-00
Unavailable
17
NUT, HEXAGON
90170-14171-00
Unavailable
18
ROD, PUSH 2
2X3-16357-00-00
Unavailable
19
BALL
93503-16003-00
Unavailable
20
PLATE, PUSH
1W1-16358-01-00
Unavailable
21
YBS66-6 WASHER, PLAIN
92990-06200-00
Unavailable
22
NUT, HEXAGON
95380-06600-00
Unavailable
23
ROD, PUSH
1W1-16356-02-00
Unavailable
24
PUSH LEVER ASSEMBLY
3R3-16380-02-00
Unavailable
25
SPRING, TORSION
90508-14426-00
Unavailable
26
WASHER PLATE 150251530000
90201-14217-00
Unavailable
27
OIL SEAL (14X25X5-2H7)
93104-14059-00
Unavailable
28
BEARING, CYLINDRICAL (3R3)
93315-21429-00
Unavailable
29
PIN, DOWEL (409)
93604-16092-00
Unavailable
