- Partiron
- OEM Parts
- Yamaha
- motorcycle
- 1977
- YZ100D (YZ100D) 1977
STARTER YZ100 E - F
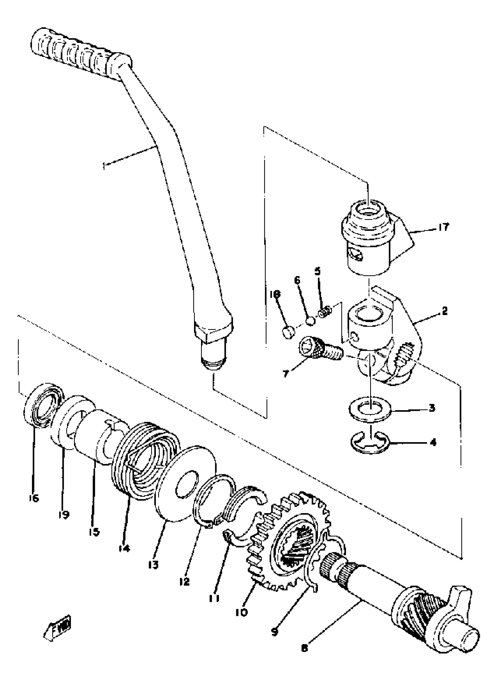
Yamaha YZ100D (YZ100D) 1977 STARTER YZ100 E - F Diagram
#
Description
Price
1
KICK CRANK ASSEMBLY (1W1-15611-02-33)
1W1-15620-01-00
Unavailable
2
BOSS, KICK CRANK
1W1-15621-01-00
Unavailable
8
KICK AXLE ASSEMBLY
2A6-15660-01-00
Unavailable
10
GEAR, KICK
1W1-15641-00-00
Unavailable
14
SPRING, TORSION (1W1)
90508-26346-00
Unavailable
16
OIL SEAL (17X25X4-401)
93101-17062-00
Unavailable
17
COVER, KICK CRANK BOSS
1W1-15618-01-00
Unavailable
18
PLUG, TAPER
90336-06030-00
Unavailable
19
SPACER
90560-17176-00
Unavailable
