- Partiron
- OEM Parts
- Yamaha
- motorcycle
- 1977
- YZ100D (YZ100D) 1977
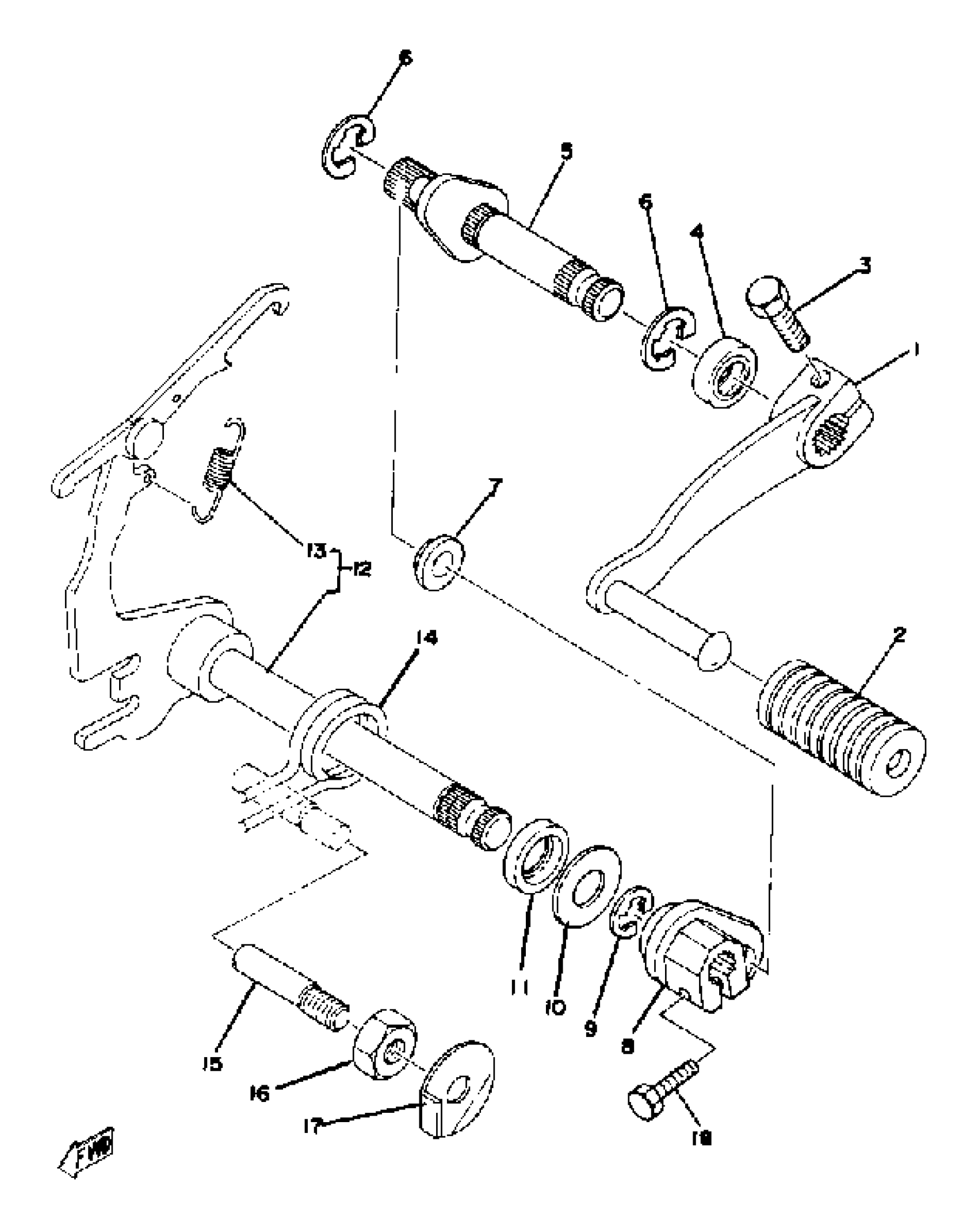
SHIFT SHAFT YZ100D
Yamaha YZ100D (YZ100D) 1977 SHIFT SHAFT YZ100D Diagram
#
Description
Price
1
PEDAL, CHANGE
2W5-18111-00-00
Unavailable
5
SHIFT SHAFT ASSEMBLY 2
1J4-18102-01-00
Unavailable
8
LEVER, SHIFT 4
1J4-18152-02-00
Unavailable
12
SHIFT SHAFT ASSEMBLY.1
(1J4-18101-00-00)
Unavailable
13
SPRING TENSION 132181230000
90506-09009-00
Unavailable
14
SPRING TORSION 353181240000
90508-32054-00
Unavailable
15
SCREW, SPEC''L SHAPE
90149-08096-00
Unavailable
16
NUT (583)
90170-08193-00
Unavailable
17
WASHER LOCK 248181390000
90215-08014-00
Unavailable
