- Partiron
- OEM Parts
- Yamaha
- motorcycle
- 1977
- YZ100D (YZ100D) 1977
REAR ARM YZ100D
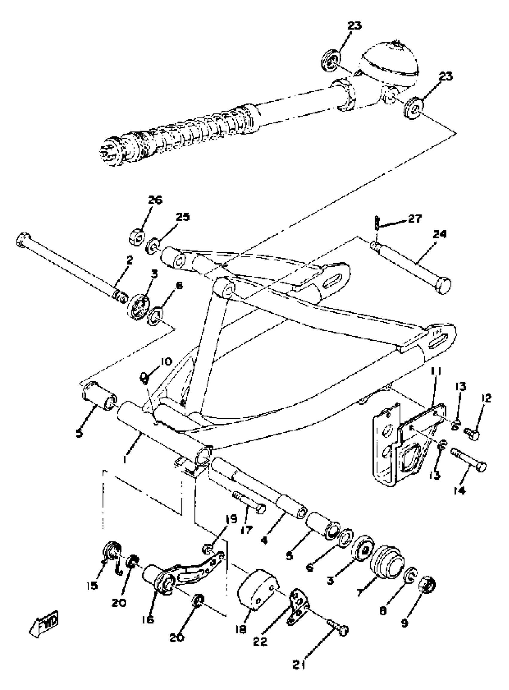
Yamaha YZ100D (YZ100D) 1977 REAR ARM YZ100D Diagram
#
Description
Price
1
REAR ARM
(1J4-22110-01-33)
Unavailable
2
SHAFT, PIVOT
537-22141-01-00
Unavailable
4
BUSH 2
18G-22124-00-00
Unavailable
7
SEAL, GUARD
537-22151-00-00
Unavailable
11
GUARD, CHAIN
2W6-22153-00-00
Unavailable
13
WASHER, SPRING
92995-06100-00
Unavailable
14
BOLT, HEXAGON W/W DEEP RECESS
97E95-06555-00
Unavailable
15
SPRING, TORSION (1J4)
90508-35350-00
Unavailable
16
ARM, TENSIONER
(1W1-22179-01-00)
Unavailable
17
BOLT (1J4)
90109-10483-00
Unavailable
18
TENSIONER (2N0-22178-00-00)
ACC-11130-00-25
Unavailable
19
NUT, HEXAGON SMALL
95317-05700-00
Unavailable
20
OIL SEAL (2K8)
93109-14021-00
Unavailable
21
SCREW, PAN HEAD(6H4)
97885-06035-00
Unavailable
22
GUIDE, CHAIN
1W1-22187-00-00
Unavailable
23
COVER, THRUST 1
483-22128-00-00
Unavailable
24
BOLT
90109-08300-00
Unavailable
25
WASHER, PLATE (8L8)
90201-087A9-00
Unavailable
26
NUT(6L2)
95333-08600-00
Unavailable
27
PIN, COTTER
91490-20025-00
Unavailable
