- Partiron
- OEM Parts
- Yamaha
- motorcycle
- 1977
- YZ100D (YZ100D) 1977
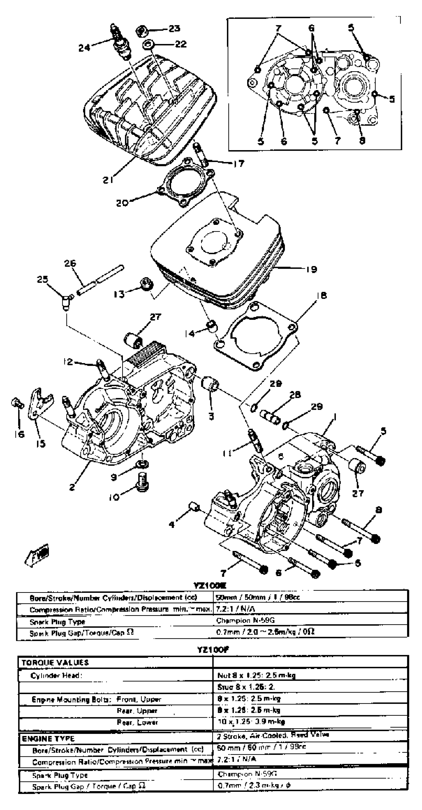
CYLINDER - CRANKCASE YZ100 E - F
Yamaha YZ100D (YZ100D) 1977 CYLINDER - CRANKCASE YZ100 E - F Diagram
#
Description
Price
1
CRANKCASE 1 (1W1-15111-00)
1W1-15111-02-00
Unavailable
1
CRANKCASE 1
2W5-15111-00-00
Unavailable
2
CRANKCASE 2 (1W1-15121-01)
1W1-15121-02-00
Unavailable
3
PIN, DOWEL
99530-20020-00
Unavailable
15
HOLDER (R.H)
304-15128-00-00
Unavailable
16
SCREW, PAN
98507-08010-00
Unavailable
17
BOLT STUD 363111790000
90116-08104-00
Unavailable
17
BOLT, STUD(3XV)
90116-08564-00
Unavailable
18
GASKET, CYLINDER
18G-11351-02-00
Unavailable
19
CYLINDER 1
(2K5-11311-00-00)
Unavailable
19
CYLINDER 1
(2W5-11311-00-00)
Unavailable
20
GASKET, CYLINDER HEAD 1
31J-11181-00-00
Unavailable
21
HEAD, CYLINDER 1
(2K5-11111-00-00)
Unavailable
21
HEAD, CYLINDER 1
(2W5-11111-00-00)
Unavailable
22
WASHER, PLATE (397)
90201-08100-00
Unavailable
23
NUT(6L2)
95333-08600-00
Unavailable
24
BR10EIX NGK SPLUG 4PK
BR1-0EIX0-00-00
Unavailable
25
BREATHER
5UG-15371-00-00
Unavailable
25
BREATHER
583-15371-00-00
Unavailable
26
HOSE (L570)
90445-07MF1-00
Unavailable
26
HOSE (L1050)
90445-072G8-00
Unavailable
27
DAMPER
90388-08003-00
Unavailable
28
SPACER, ENGINE MOUNT
401-15317-00-00
Unavailable
29
O-RING (P95)
93210-11073-00
Unavailable
