- Partiron
- OEM Parts
- Yamaha
- side-by-side
- 2018
- YXZ10YMXJD (YXZ1000R EPS) 2HCP 2018
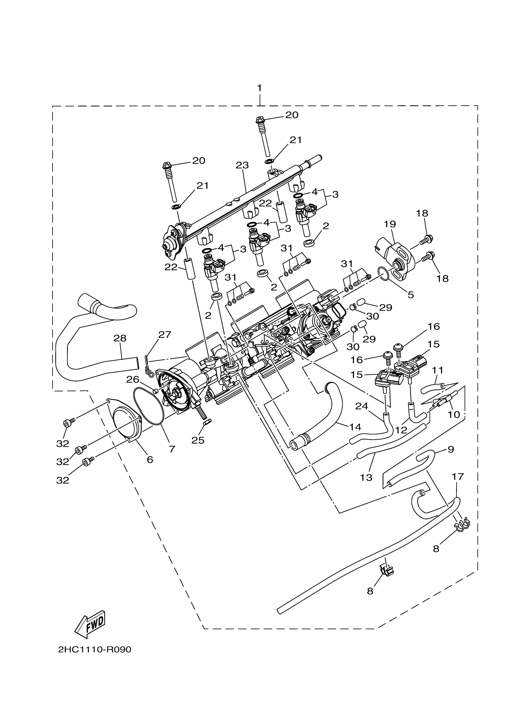
THROTTLE BODY ASSY 1
Yamaha YXZ10YMXJD (YXZ1000R EPS) 2HCP 2018 THROTTLE BODY ASSY 1 Diagram
#
Description
Price
1
THROTTLE BODY ASSY
2HC-13750-02-00
Unavailable
2
. GASKET, MANIFOLD
8FP-13556-10-00
Unavailable
4
. O-RING
68V-1416A-00-00
Unavailable
8
. CLAMP 1
69J-2417H-00-00
Unavailable
9
HOSE, AIR 4
2HC-13894-00-00
Unavailable
10
CONNECTOR
5PW-1410F-00-00
Unavailable
11
PIPE
8FP-14349-30-00
Unavailable
12
HOSE, AIR 2
8HF-13892-00-00
Unavailable
14
HOSE, AIR
8GL-13895-00-00
Unavailable
16
SCREW
2C0-14216-00-00
Unavailable
17
HOSE, AIR
18P-13543-00-00
Unavailable
18
SCREW
8CC-14216-10-00
Unavailable
19
THROTTLE SENSOR AS
3B4-85885-01-00
Unavailable
20
BOLT 1
8GL-13573-00-00
Unavailable
21
WASHER
8GL-13571-00-00
Unavailable
22
COLLAR
8GL-14534-00-00
Unavailable
23
PIPE INLET ASSEMBLY
2HC-13930-00-00
Unavailable
24
PIPE
5PW-14349-00-00
Unavailable
25
NUT, CABLE ADJUSTING
1S3-14161-00-00
Unavailable
26
GUIDE, CABLE
1UY-14155-00-00
Unavailable
27
CLIP
90467-150A2-00
Unavailable
28
HOSE 1
2HC-13545-00-00
Unavailable
29
CAP
895-14169-00-00
Unavailable
30
CLIP, PIPE
8A7-14139-00-00
Unavailable
31
ADJUST SCREW SET
8GL-14503-00-00
Unavailable
32
BOLT
91312-04006-00
Unavailable
