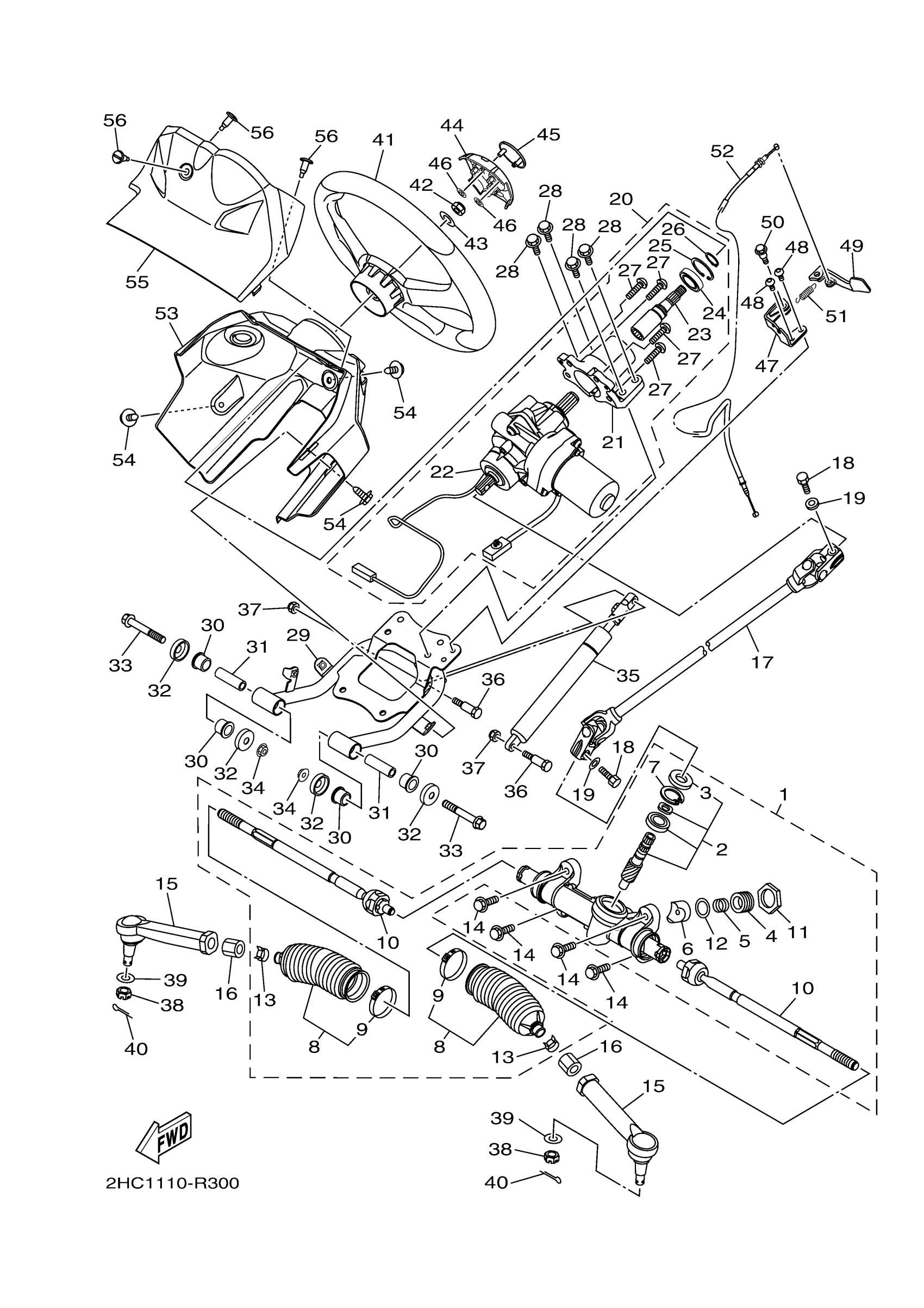
Yamaha YXZ10YMXHO (YXZ1000R EPS) 2HCA1 2017 STEERING Diagram
#
4
COVER,ADJUST
1XD-F387G-00-00
Unavailable
5
SPRING,PRESSURE
1XD-F387K-00-00
Unavailable
6
PAD,PRESSURE
1XD-F387F-00-00
Unavailable
7
RING,STOPPER
1XD-F387J-00-00
Unavailable
8
SEAL 1 W/ BAND SET OF 2
1XD-F1208-00-00
Unavailable
10
RACK END SET
2HC-F38H0-00-00
Unavailable
11
LOCK ASSY
1XD-F178K-00-00
Unavailable
16
NUT 1
2HC-F3833-00-00
Unavailable
17
STEERING SHAFT ASS
2HC-F3840-00-00
Unavailable
18
BOLT, SOCKET
91317-08025-00
Unavailable
19
WASHER, PLATE(3XP)
90201-083P5-00
Unavailable
20
STEERING COLUMN ASSY
2HC-23810-00-00
Unavailable
21
SUPT., STRG. HSG.
2HC-2254G-00-00
Unavailable
22
POWER STRG. ACTUATOR ASSY
2HC-238B0-03-00
Unavailable
23
SHAFT 1
2HC-23849-00-00
Unavailable
24
BEARING
93306-97201-00
Unavailable
25
CIR-CLIP (70R)
93420-40064-00
Unavailable
26
CIRCLIP(1EY)
99009-22400-00
Unavailable
27
BOLT, BUTTON HEAD
92012-08030-00
Unavailable
28
BOLT, FLANGE(4LN)
95817-08025-00
Unavailable
29
STEERING GATE COMP.
2HC-F3870-01-00
Unavailable
30
BUSH, SOLID(3GG)
90381-15088-00
Unavailable
31
COLLAR
90387-10111-00
Unavailable
32
COVER, THRUST 1
1UY-23517-01-00
Unavailable
33
BOLT, FLANGE
90105-10267-00
Unavailable
34
NUT, S/L FLANGE
95602-10200-00
Unavailable
35
SPRING, DAMPER
2HC-F3855-00-00
Unavailable
36
BOLT
90109-06255-00
Unavailable
37
NUT, NYLON
95707-06300-00
Unavailable
38
NUT, CASTLE
90171-12001-00
Unavailable
39
WASHER, PLATE
90201-12045-00
Unavailable
40
PIN, COTTER
91490-20025-00
Unavailable
41
WHEEL,STEERING
2HC-F3838-02-00
Unavailable
42
NUT, SELF-LOCKING
90185-12008-00
Unavailable
43
YBS66-12 WASHER,PLAIN
92990-12200-00
Unavailable
44
COVER, STEERING
2HC-F3818-00-00
Unavailable
45
TUNING FORK MARK
1XD-F175B-01-00
Unavailable
46
NUT, SPRING
90183-06071-00
Unavailable
47
HOLDER, WIRE
2HC-F3874-01-00
Unavailable
48
BOLT, BUTTON HEAD
92012-06012-00
Unavailable
49
LEVER, REVERSE
2HC-F6152-00-00
Unavailable
50
BOLT (2YK1)
90109-06799-00
Unavailable
51
SPRING TENSION 132181230000
90506-09009-00
Unavailable
52
CABLE, CONTROL 1
2HC-2637E-01-00
Unavailable
53
COVER, ADJUST
2HC-F387G-00-00
Unavailable
54
BOLT, WITH WASHER
90119-06226-00
Unavailable
55
COVER,METER
2HC-H3559-01-00
Unavailable
56
RIVET,SPEC'L SHAPE
90269-07805-00
Unavailable
