- Partiron
- OEM Parts
- Yamaha
- side-by-side
- 2011
- YXR7FHA (RHINO 700 HUNTER) 42SM 2011
REAR BRAKE CALIPER 2
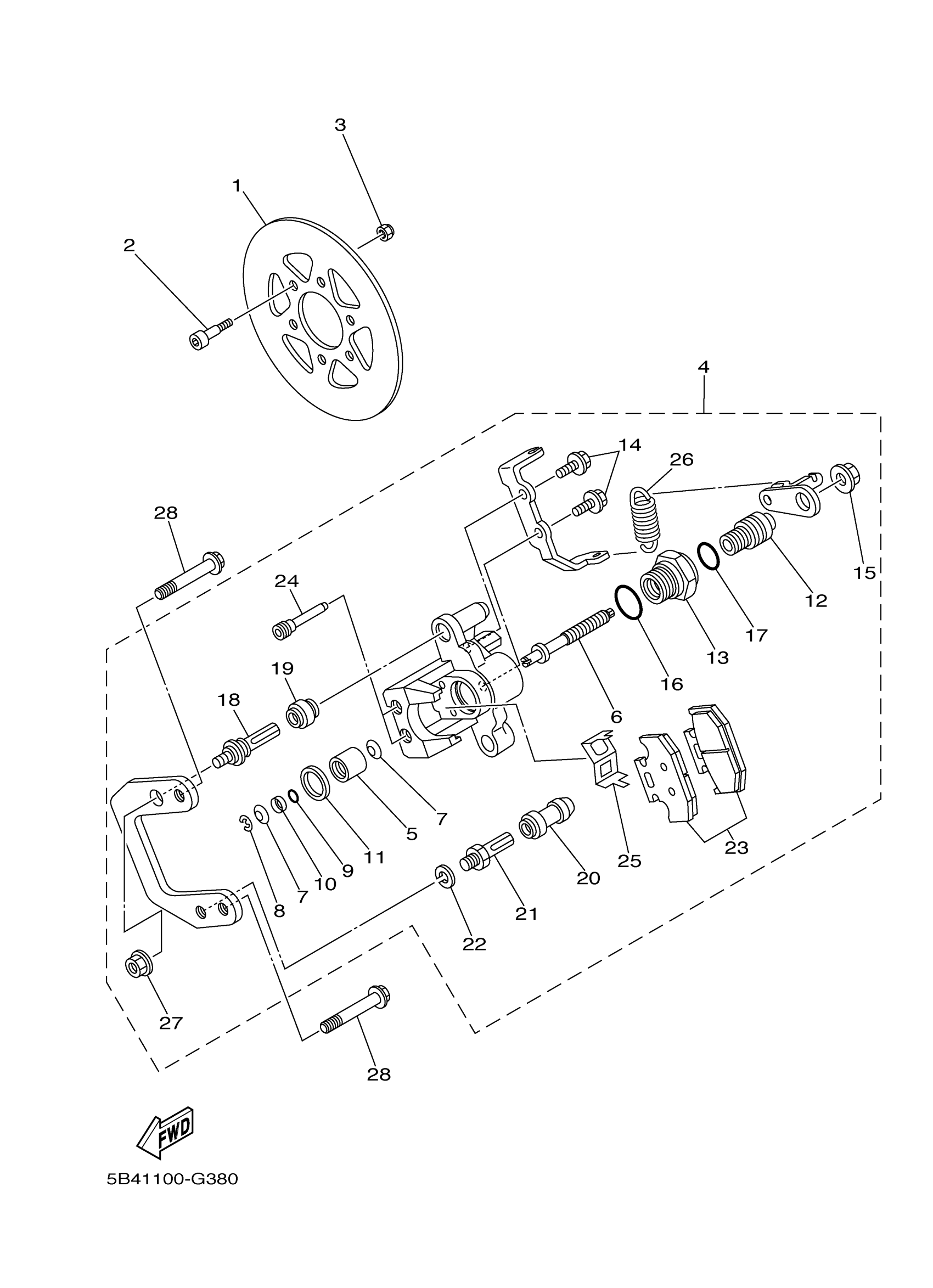
Yamaha YXR7FHA (RHINO 700 HUNTER) 42SM 2011 REAR BRAKE CALIPER 2 Diagram
#
Description
Price
1
DISC, BRAKE
5B4-F5711-00-00
Unavailable
4
PARKING BRAKE ASSY
5B4-25905-03-00
Unavailable
5
PISTON, CALIPER
5B4-25814-10-00
Unavailable
6
PUSH ROD COMP.
5B4-25880-00-00
Unavailable
11
RUBBER, BUSHING
5B4-25975-00-00
Unavailable
16
O-RING
5B4-25976-10-00
Unavailable
17
O-RING
5B4-25976-20-00
Unavailable
18
BOLT
3JD-25926-00-00
Unavailable
19
BOOT, CALIPER
3JD-25917-00-00
Unavailable
20
BOOT 2
1UY-25937-51-00
Unavailable
21
BOLT
1UY-25926-51-00
Unavailable
22
WASHER, SPRING
1UY-25938-51-00
Unavailable
23
BRAKE PAD KIT 2
5B4-25806-01-00
Unavailable
24
PIN, PAD
5B4-25924-00-00
Unavailable
25
SUPPORT, PAD
5B4-25919-00-00
Unavailable
26
SPRING, RETURN
5B4-25977-00-00
Unavailable
27
NUT
5B4-2585F-00-00
Unavailable
28
BOLT, WASHER BASED(1KT)
90105-10402-00
Unavailable
