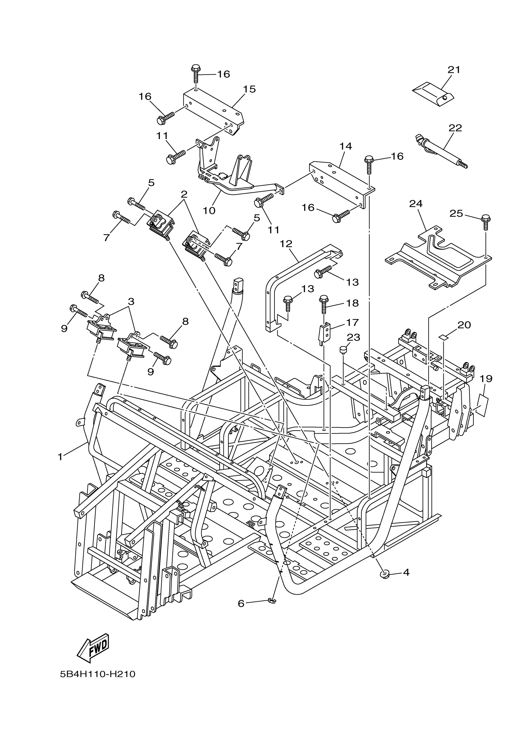
Yamaha YXR7FDUY (RHINO 700 FI DUCKS UNLIMITED) 5B4M 2009 FRAME Diagram
#
Description
Price
1
FRAME COMP.
5B4-F1110-00-00
Unavailable
8
BOLT, FLANGE
90105-10314-00
Unavailable
12
SEAT BRACKET COMP.
5B4-F4103-01-00
Unavailable
15
SUPPORT, SEAT
5UG-F114J-01-00
Unavailable
18
BOLT, FLANGE
90105-06831-00
Unavailable
19
LABEL 7
5B4-F151K-00-00
Unavailable
20
LABEL 6
5UG-F151J-00-00
Unavailable
21
TOOL KIT
5B4-F8100-00-00
Unavailable
23
STOPPER, MAIN STAND
5UG-F7114-00-00
Unavailable
24
INSULATOR, HEAT
5B4-F2898-00-00
Unavailable
25
BOLT, FLANGE
90105-06831-00
Unavailable
