- Partiron
- OEM Parts
- Yamaha
- side-by-side
- 2007
- YXR66FEXW (RHINO 660 4WD EXPLORING EDITION - HUNTER GREEN) 5UGL 2007
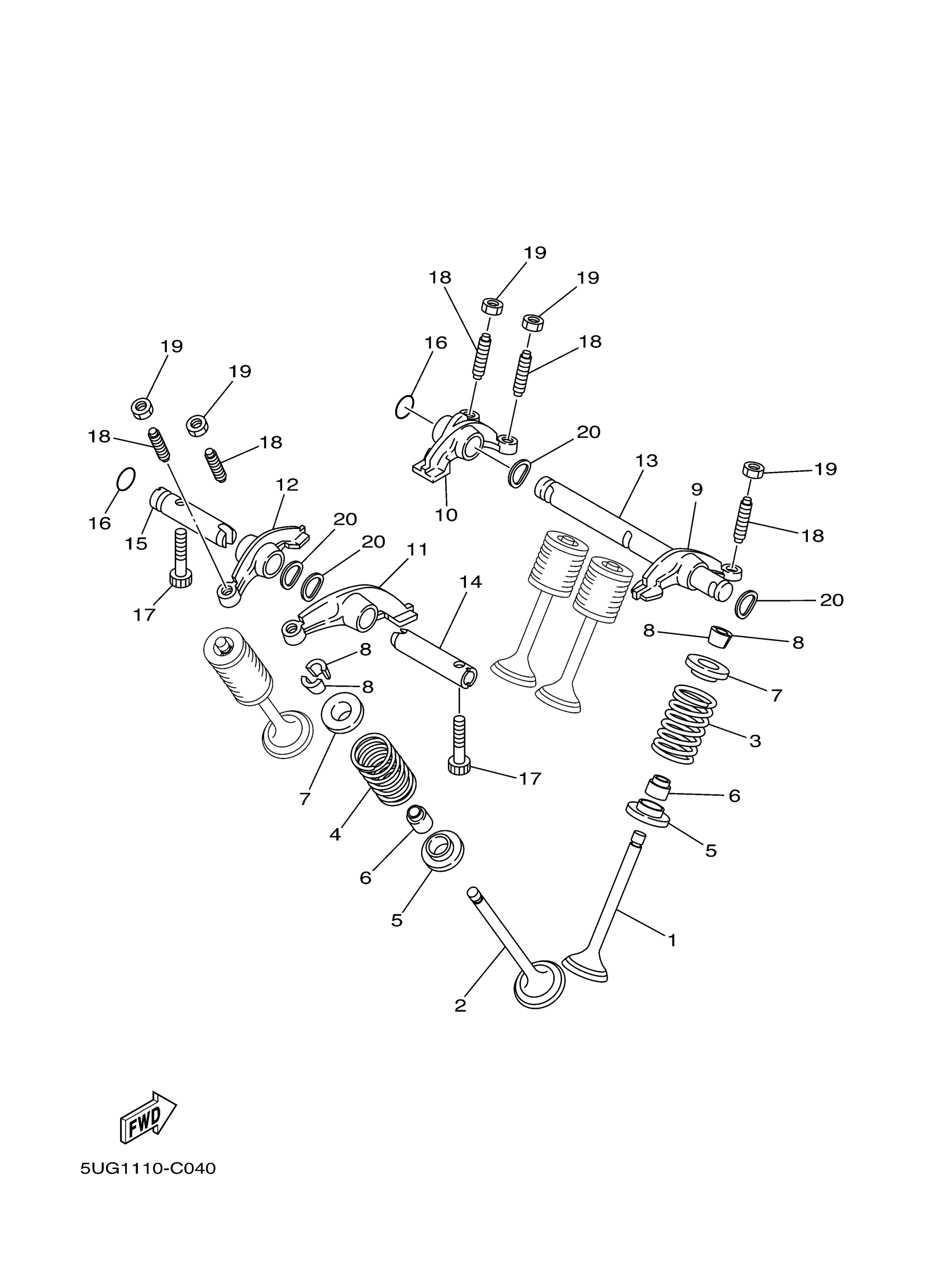
VALVE
Yamaha YXR66FEXW (RHINO 660 4WD EXPLORING EDITION - HUNTER GREEN) 5UGL 2007 VALVE Diagram
#
Description
Price
9
ARM, VALVE ROCKER
3YF-12151-00-00
Unavailable
13
SHAFT, ROCKER
3YF-12146-00-00
Unavailable
14
SHAFT, ROCKER 2
2NX-12156-00-00
Unavailable
15
SHAFT, ROCKER 3
3YF-12166-00-00
Unavailable
16
O-RING (5Y1)
93210-08521-00
Unavailable
17
BOLT
90109-063E8-00
Unavailable
18
SCREW, VALVE ADJUSTING
2NX-12159-00-00
Unavailable
19
NUT HEXAGON 371121580000
90170-06128-00
Unavailable
20
WASHER, WAVE (17W)
90206-12074-00
Unavailable
