- Partiron
- OEM Parts
- Yamaha
- side-by-side
- 2006
- YXR66FASEV (RHINO 660 4WD SPECIAL EDITION) 5UGB 2006
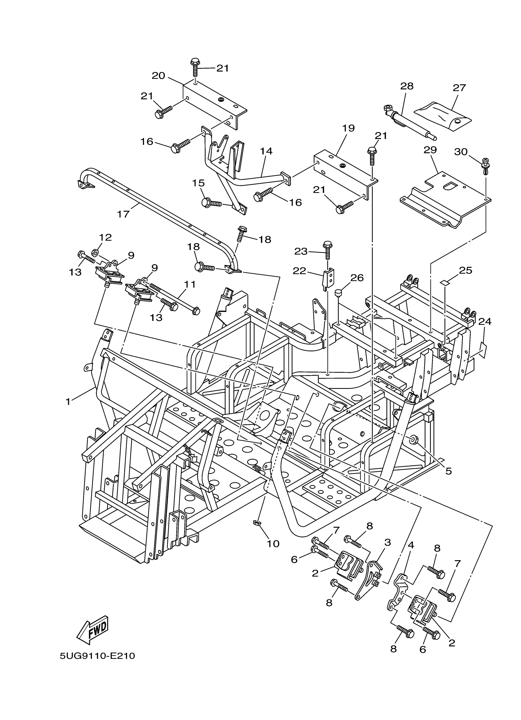
FRAME
Yamaha YXR66FASEV (RHINO 660 4WD SPECIAL EDITION) 5UGB 2006 FRAME Diagram
#
Description
Price
1
FRAME COMP.
5UG-F1110-39-00
Unavailable
1
FRAME COMP.
5UG-F1110-39-00
Unavailable
2
DAMPER, RUBBER 1
5UG-21485-00-00
Unavailable
4
STAY, ENGINE 3
5KM-21316-00-00
Unavailable
9
DAMPER 2
5UG-21486-00-00
Unavailable
14
REINFORCEMENT, FRAME 1
5UG-F1986-00-00
Unavailable
15
BOLT, FLANGE
90105-06831-00
Unavailable
16
BOLT, FLANGE
95817-10020-00
Unavailable
17
SUPPORTER
2P5-F1145-01-00
Unavailable
18
BOLT, FLANGE
90105-08867-00
Unavailable
19
SUPPORT, SEAT
5UG-F114H-01-00
Unavailable
20
SUPPORT, SEAT
5UG-F114J-01-00
Unavailable
21
BOLT, FLANGE
90105-08867-00
Unavailable
22
BRKT.
5UG-F116B-00-00
Unavailable
23
BOLT, FLANGE
90105-06831-00
Unavailable
24
LABEL 7
5UG-F151K-02-00
Unavailable
25
LABEL 6
5UG-F151J-00-00
Unavailable
26
STOPPER, MAIN STAND
5UG-F7114-00-00
Unavailable
27
TOOL KIT
5ND-F8100-00-00
Unavailable
28
GAUGE, AIR
5UG-F811A-00-00
Unavailable
29
INSULATOR, HEAT
5UG-F2898-00-00
Unavailable
30
RIVET
90269-06804-00
Unavailable
