Partiron

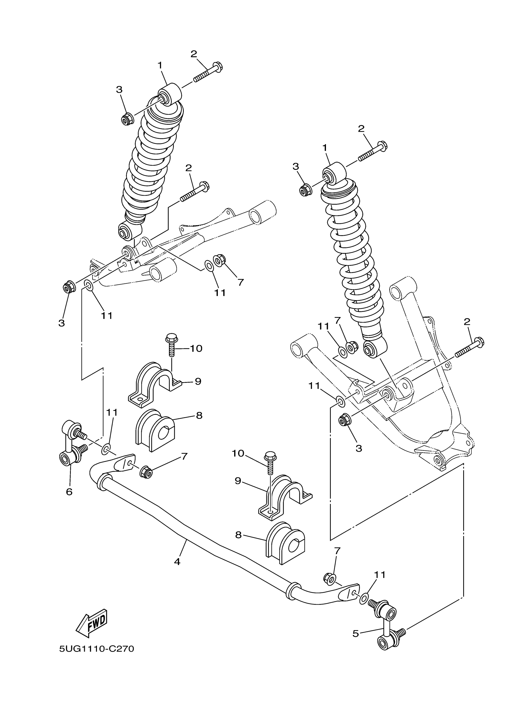
Yamaha YXR660FAHS (RHINO HARDWOODS CAMO) 5UG3 2004 REAR SUSPENSION Diagram

#

Description
Price

1

SHOCK ASSY (REAR-BLACK SPRING)

5UG-F2210-01-00

Unavailable

2

BOLT, FLANGE

90105-12889-00

Unavailable

3

NUT, SELF LOCKING (1M1)

90185-12072-00

$9.49

4

BAR, STABILIZER

5UG-G7491-00-00

Unavailable

5

JOINT, STABILIZER 1

16B-2385L-10-00

$72.99

6

JOINT, STABILIZER 2

16B-2385M-10-00

$72.99

7

NUT, SELF-LOCKING(JN5)

95607-10200-00

$4.19

8

BUSH, STABILIZER F

1XD-F386G-00-00

Unavailable

9

COVER, STABILIZER FRONT

5UG-F386H-00-00

Unavailable

10

BOLT, FLANGE

95817-08014-00

$5.60

11

WASHER, PLATE(47X)

90201-101J1-00

$8.49