Partiron

Yamaha YXP1000AT (PRO HAULER 1000) JW52 2005 BODY FITTING Diagram

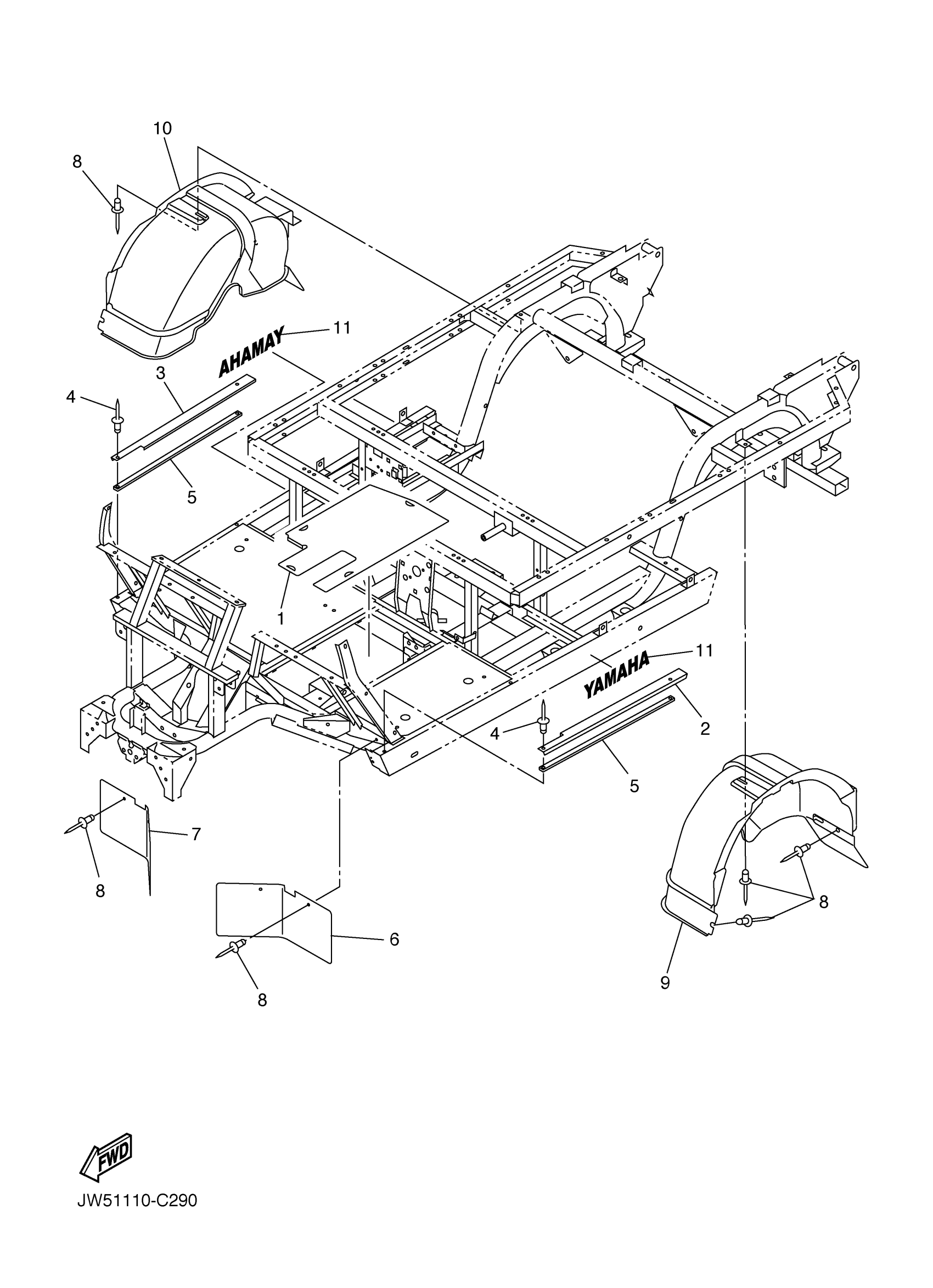
#

Description
Price

1

SERVICE LID, PEDAL

JN6-K8271-00-00

Unavailable

2

PLATE,SIDE TRIM

JF2-K8215-20-00

Unavailable

3

PLATE,SIDE TRIM

JF2-K821F-20-00

Unavailable

4

RIVET, BLIND(JF2)

90267-48154-00

$8.49

5

REINFORCEMENT 4

JJ3-K8124-00-00

Unavailable

6

FLAP, FRONT FENDER

JF2-K8187-10-00

Unavailable

7

FLAP, FRONT FENDER (R.H)

JF2-K8189-10-00

Unavailable

8

RIVET, BLIND

90267-48833-00

Unavailable

9

PANEL, REAR FENDER 1

JJ3-K8191-00-00

Unavailable

10

PANEL, REAR FENDER 2

JJ3-K8192-00-00

Unavailable

11

EMBLEM, YAMAHA

JW5-F153A-00-00

Unavailable