- Partiron
- OEM Parts
- Yamaha
- side-by-side
- 2018
- YXM70VPHJH (VIKING EPS HUNTER) B5F8 2018
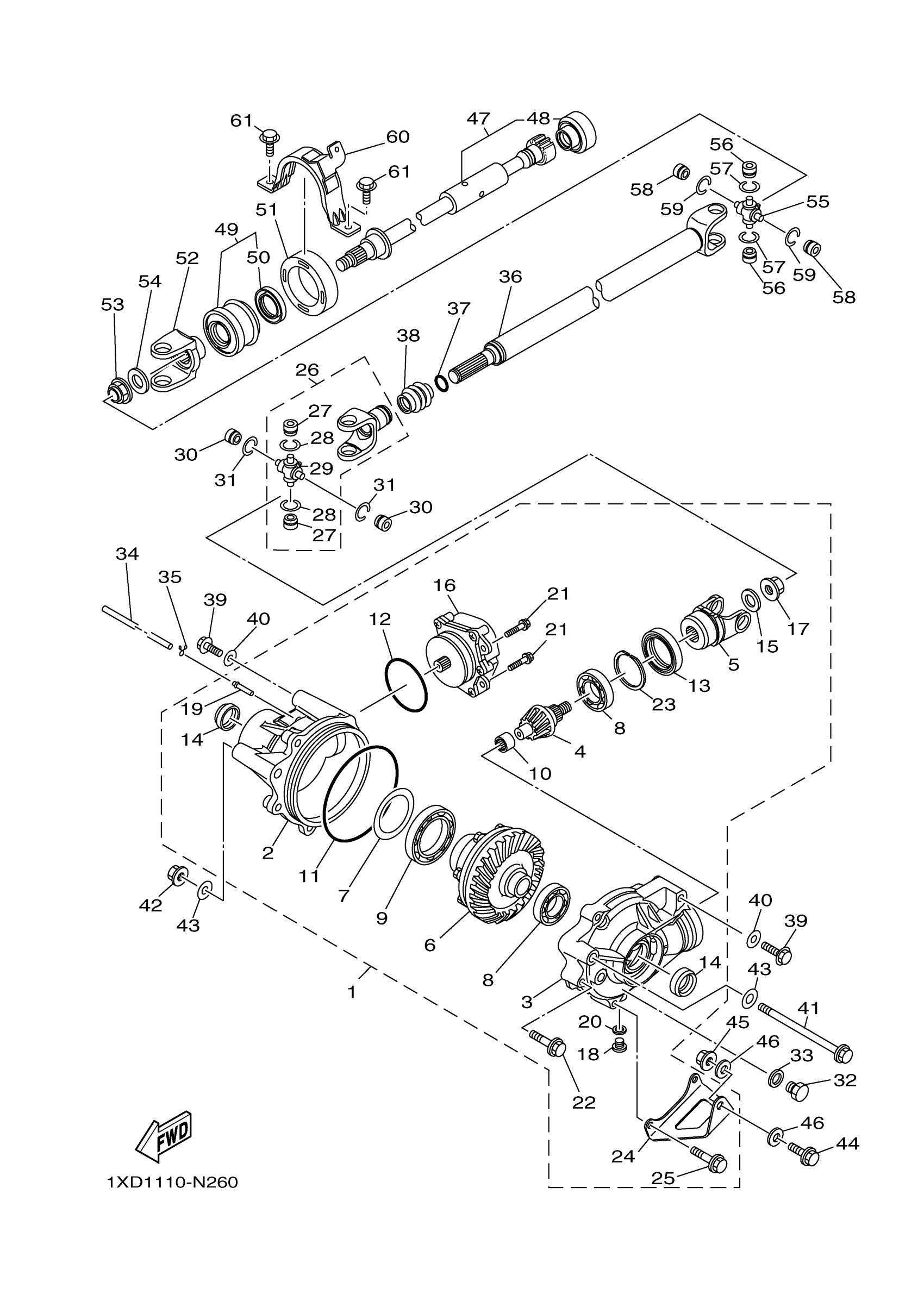
FRONT DIFFERENTIAL
Yamaha YXM70VPHJH (VIKING EPS HUNTER) B5F8 2018 FRONT DIFFERENTIAL Diagram
#
3
HOUSING, SHAFT DRIVE 2
1XD-46161-00-00
Unavailable
4
PINION, DRIVE 2
1XD-46141-00-00
Unavailable
5
YOKE, JOINT 2
4S1-46146-01-00
Unavailable
7
SHIM, RING GEAR (0.2T)
3B4-46117-10-00
Unavailable
7
SHIM, RING GEAR (0.3T)
3B4-46117-20-00
Unavailable
7
SHIM, RING GEAR (0.4T)
3B4-46117-30-00
Unavailable
13
OIL SEAL
93105-46001-00
Unavailable
14
SEAL,OIL 1
3B4-46163-00-00
Unavailable
15
WASHER
3B4-47359-00-00
Unavailable
16
SERVO MOTOR COMP
1HP-4616A-00-00
Unavailable
17
NUT 1
4WV-46145-11-00
Unavailable
18
PLUG, STRIGHT SCREW(5GH1)
90340-10001-00
Unavailable
19
TUBE
5GH-46293-00-00
Unavailable
20
GASKET
90430-10003-00
Unavailable
21
BOLT, FLANGE
95812-06014-00
Unavailable
22
BOLT, FLANGE
95817-08040-00
Unavailable
23
RING,HOLE SNAP 1
3B4-46142-00-00
Unavailable
24
PLATE, COVER
1XD-46114-00-00
Unavailable
25
BOLT, FLANGE
95817-08050-00
Unavailable
26
CROSS JOINT COMP. 2
2HC-46107-00-00
Unavailable
27
BEARING
93399-99948-00
Unavailable
28
CIRCLIP (4X7)
93440-20088-00
Unavailable
29
SPIDER
5GT-46187-00-00
Unavailable
30
BEARING
93399-99948-00
Unavailable
31
CIRCLIP (4X7)
93440-20088-00
Unavailable
32
PLUG, STRAIGHT(2E9)
90340-14029-00
Unavailable
33
GASKET
214-11198-01-00
Unavailable
34
HOSE
90445-07809-00
Unavailable
35
CLIP (1J7)
90467-07029-00
Unavailable
36
DRIVE SHAFT COMP.
1XD-46109-00-00
Unavailable
37
O-RING
93210-16M69-00
Unavailable
38
SEAL 1
5GT-46136-00-00
Unavailable
39
BOLT, FLANGE
90105-10255-00
Unavailable
40
WASHER, PLATE
90201-10035-00
Unavailable
41
BOLT, FLANGE
90105-12066-00
Unavailable
42
NUT, SELF-LOCKING
90185-12002-00
Unavailable
43
YBS66-12 WASHER,PLAIN
92990-12200-00
Unavailable
44
. BOLT, FLANGE
95812-10025-00
Unavailable
45
NUT, SELF-LOCKING
90185-10011-00
Unavailable
46
WASHER, PLATE
90201-10035-00
Unavailable
47
SHAFT, DRIVE 2
1XD-46173-00-00
Unavailable
48
SEAL 2
5KM-46137-00-00
Unavailable
49
BEARING ASSY
2MB-46106-00-00
Unavailable
50
OIL SEAL(76K)
93102-30339-00
Unavailable
51
RUBBER SHAFT COUPLING
1XD-4581J-00-00
Unavailable
52
YOKE, JOINT
5B4-17556-00-00
Unavailable
53
NUT
90179-16015-00
Unavailable
54
WASHER, PLATE
90201-16021-00
Unavailable
55
SPIDER
5GT-46187-00-00
Unavailable
56
BEARING
93399-99948-00
Unavailable
57
CIRCLIP (4X7)
93440-20088-00
Unavailable
58
BEARING
93399-99948-00
Unavailable
59
CIRCLIP (4X7)
93440-20088-00
Unavailable
60
COVER 1
1XD-4613F-00-00
Unavailable
61
BOLT, FLANGE
95812-08020-00
Unavailable
