Yamaha YXM70VPHGH (VIKING EPS HUNTER) B425 2016 GUARD 2 Diagram
#
Description
Price
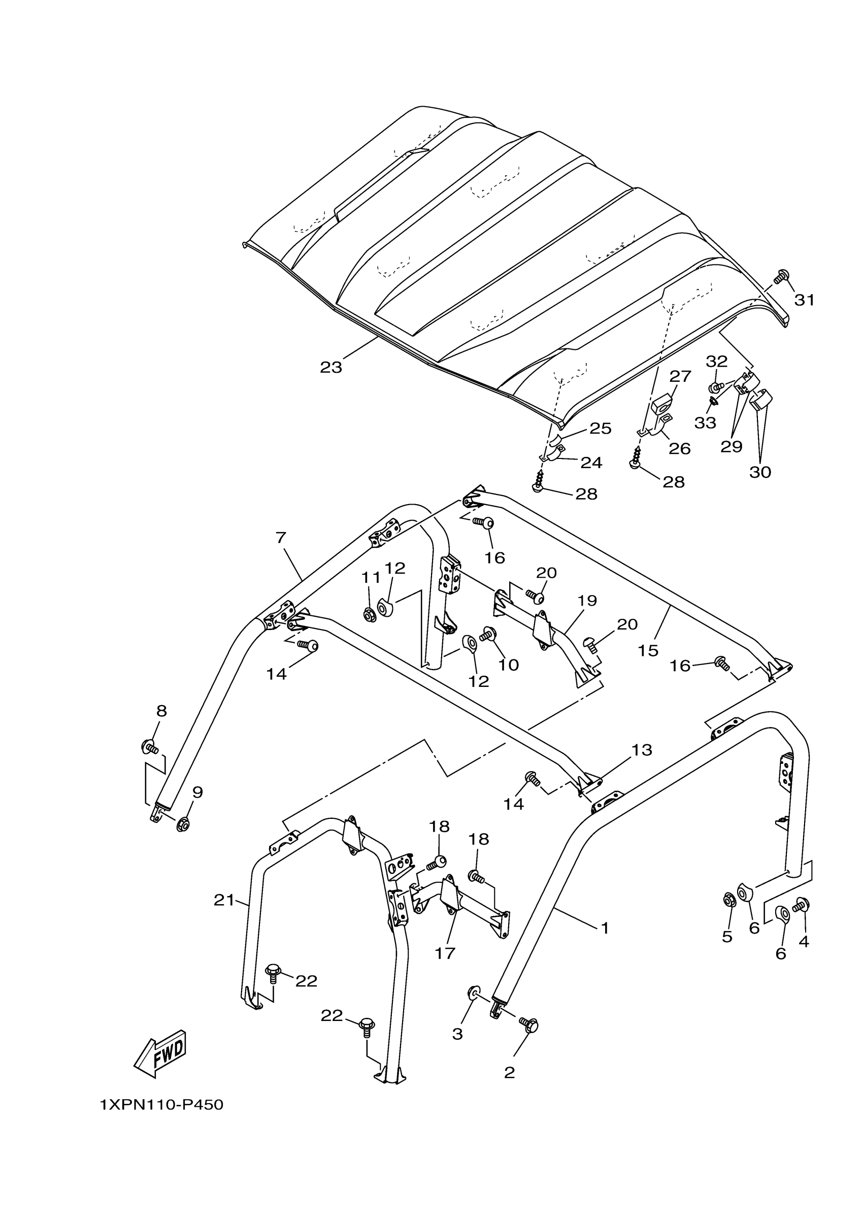
17
SUNROOF PIPE ASSY
2PG-K830E-00-00
Unavailable
19
SUNROOF PIPE ASSY
2PG-K830F-00-00
Unavailable
21
ROOF SUPPORT ASSY
2PG-K830A-00-00
Unavailable
22
BOLT, FLANGE
95812-10016-00
Unavailable
23
COVER, SUN ROOF
1XP-K8314-00-00
Unavailable
24
CLAMP, SUPPORT
5UG-K8366-00-00
Unavailable
25
DAMPER
5UG-K7588-01-00
Unavailable
26
CLAMP, SUPPORT
1XP-K8366-00-00
Unavailable
27
DAMPER
1XP-K7588-00-00
Unavailable
28
SCREW, TAPPING
90167-06800-00
Unavailable
29
CLAMP
1XP-F481H-00-00
Unavailable
30
DAMPER
5UG-K7588-01-00
Unavailable
31
BOLT,HEX SKT HEAD
90111-06814-00
Unavailable
32
BOLT, FLANGE
95817-06012-00
Unavailable
33
NUT, U FLANGE
95604-06200-00
Unavailable
