- Partiron
- OEM Parts
- Yamaha
- side-by-side
- 2023
- YXF85WTAPL (WOLVERINE X4 RSPEC) BARN 2023
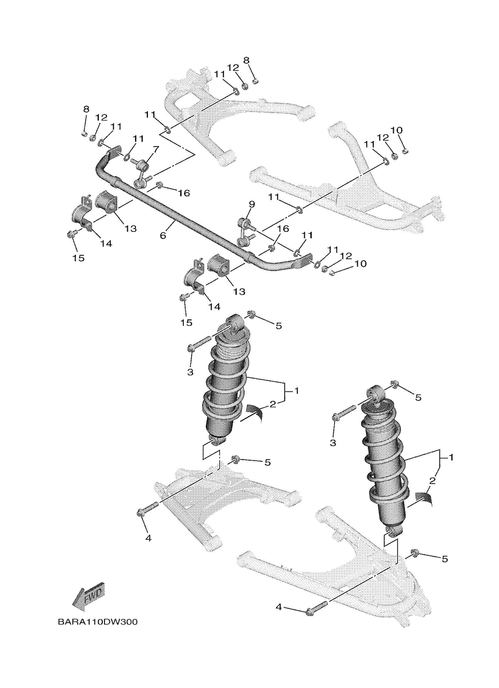
REAR SUSPENSION
Yamaha YXF85WTAPL (WOLVERINE X4 RSPEC) BARN 2023 REAR SUSPENSION Diagram
#
Description
Price
1
SHOCK ABSORBER ASS
BG4-F2200-70-00
Unavailable
8
HOSE (L11)
90445-13029-00
Unavailable
10
HOSE (L11)
90445-13029-00
Unavailable
13
BUSH, STABILIZER F
BAR-F386G-01-00
Unavailable
15
. BOLT, FLANGE
95812-10025-00
Unavailable
16
NUT, SELF-LOCKING
90185-10011-00
Unavailable
