- Partiron
- OEM Parts
- Yamaha
- side-by-side
- 2022
- YXE85WTZNB (WOLVERINE X2 EPS XTR) BANJ 2022
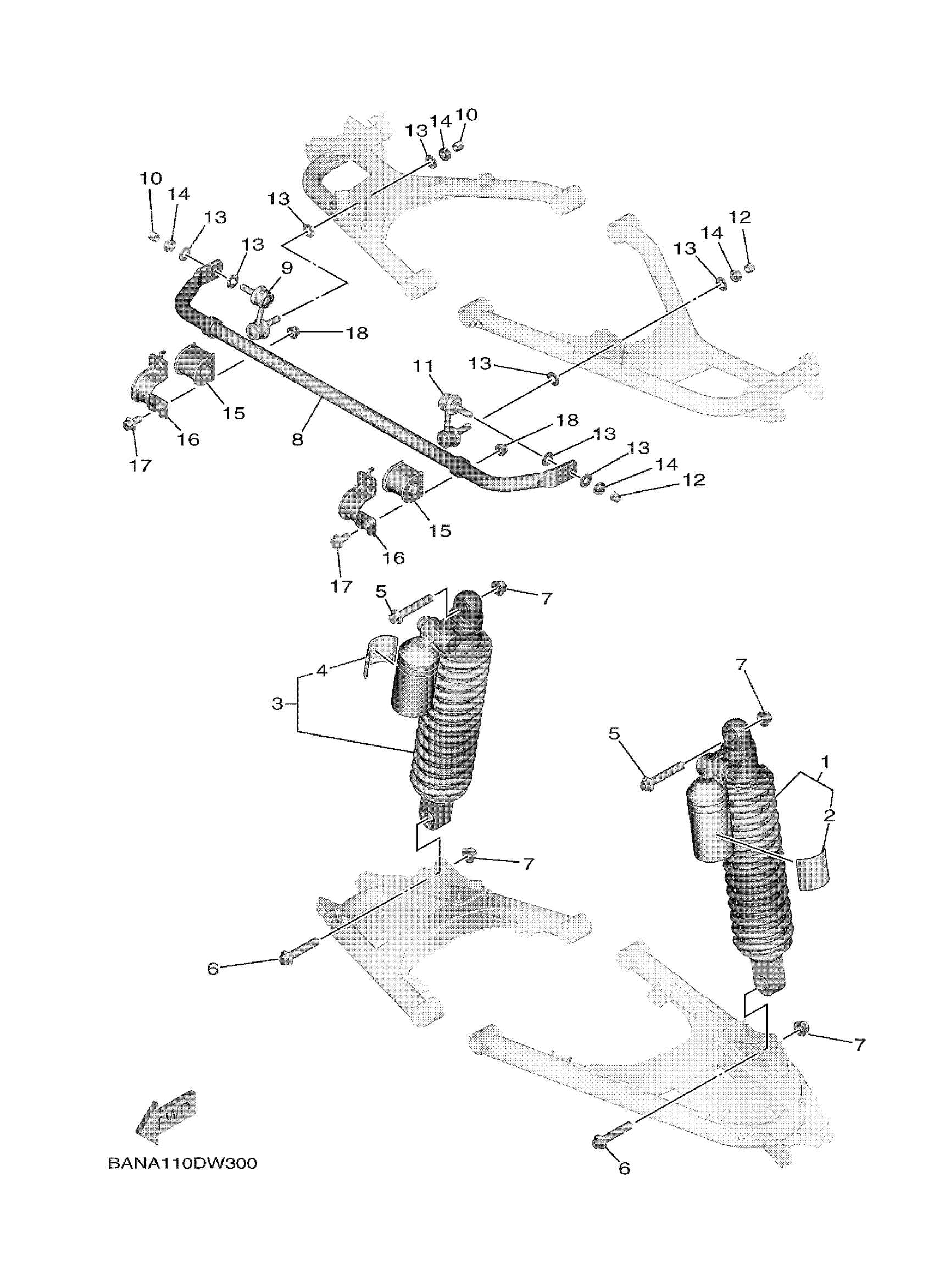
REAR SUSPENSION
Yamaha YXE85WTZNB (WOLVERINE X2 EPS XTR) BANJ 2022 REAR SUSPENSION Diagram
#
Description
Price
10
HOSE (L11)
90445-13029-00
Unavailable
12
HOSE (L11)
90445-13029-00
Unavailable
15
BUSH, STABILIZER F
BAR-F386G-01-00
Unavailable
16
COVER, STABILIZER
1XD-F386H-00-00
Unavailable
17
. BOLT, FLANGE
95812-10025-00
Unavailable
18
NUT, SELF-LOCKING
90185-10011-00
Unavailable
