- Partiron
- OEM Parts
- Yamaha
- side-by-side
- 2023
- YXE85WTAPL (WOLVERINE X2 RSPEC) BANT 2023
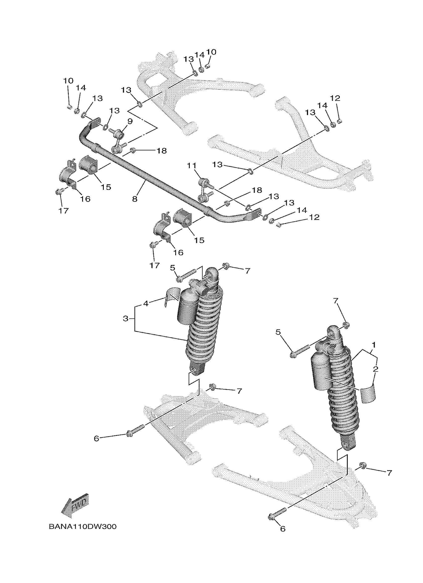
REAR SUSPENSION
Yamaha YXE85WTAPL (WOLVERINE X2 RSPEC) BANT 2023 REAR SUSPENSION Diagram
#
Description
Price
10
HOSE (L11)
90445-13029-00
Unavailable
12
HOSE (L11)
90445-13029-00
Unavailable
15
BUSH, STABILIZER F
BAR-F386G-01-00
Unavailable
16
COVER, STABILIZER
1XD-F386H-00-00
Unavailable
17
. BOLT, FLANGE
95812-10025-00
Unavailable
18
NUT, SELF-LOCKING
90185-10011-00
Unavailable
