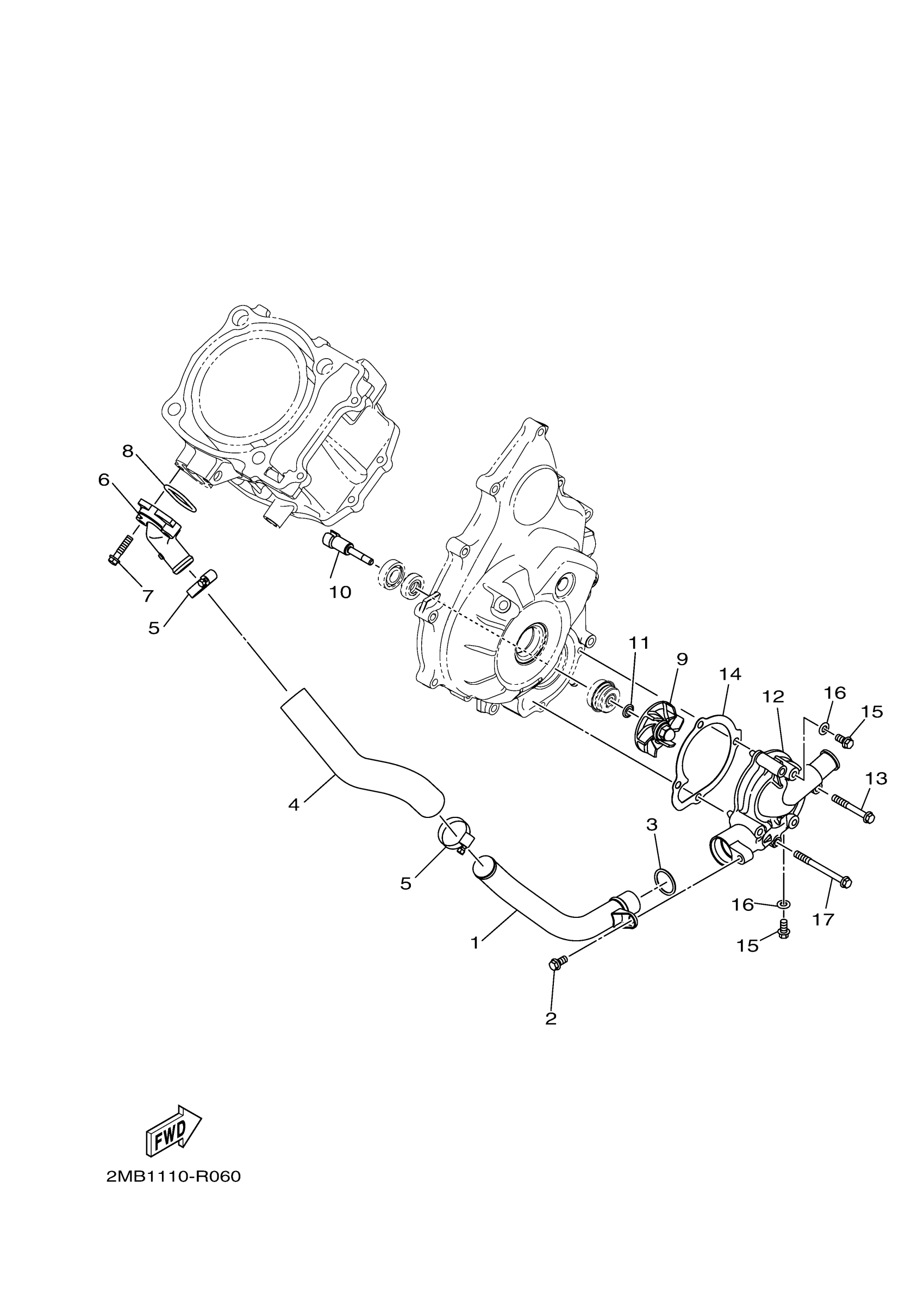
Yamaha YXE70WPBHL (WOLVERINE EPS) BW62 2017 WATER PUMP Diagram
#
Description
Price
4
HOSE,3
2MB-E243F-00-00
Unavailable
7
BOLT 1
2MB-E5481-20-00
Unavailable
12
COVER, HOUSING
2MB-E2422-00-00
Unavailable
13
BOLT 1
2MB-E5481-B0-00
Unavailable
16
GASKET
2MB-E2435-00-00
Unavailable
17
BOLT 1
2MB-E5481-70-00
Unavailable
