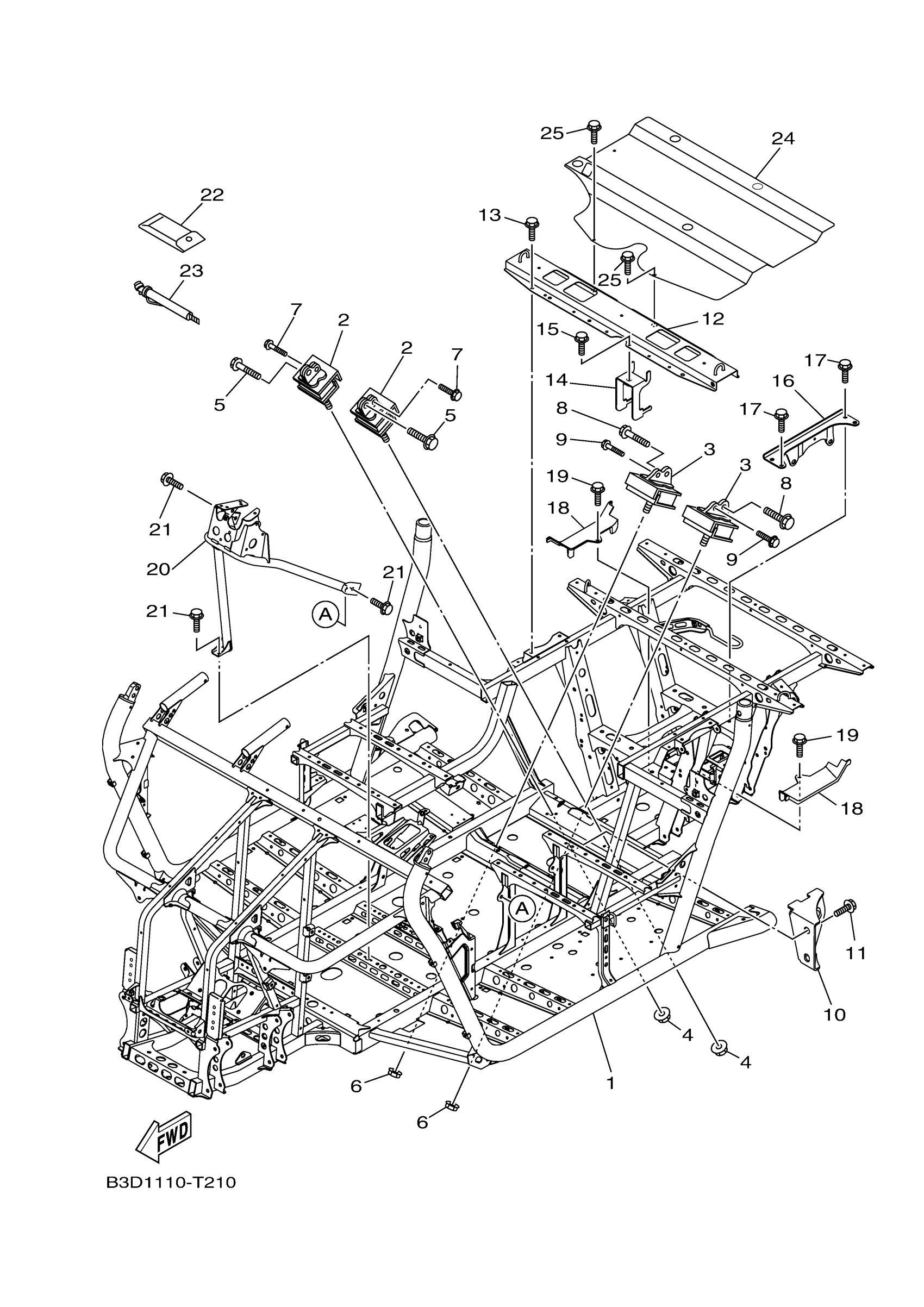
Yamaha YXE70WPAJW (WOLVERINE R-SPEC EPS) B3D11 2018 FRAME Diagram
#
Description
Price
1
FRAME COMP.
B3D-F1110-00-00
Unavailable
2
DAMPER, RUBBER 1
2MB-F1485-00-00
Unavailable
8
BOLT, FLANGE
90105-10314-00
Unavailable
10
BRACKET, LOCK
2MB-F287G-00-00
Unavailable
14
BRACKET
2MB-F1159-00-00
Unavailable
16
STAY, SUPPORT 1
2MB-F831T-00-00
Unavailable
18
COVER 3
2MB-F198J-00-00
Unavailable
19
BOLT, SPECIAL 1
JW1-K6179-01-00
Unavailable
20
REINFORCEMENT, FRAME 1
2MB-F1986-00-00
Unavailable
21
BOLT, FLANGE
90105-08867-00
Unavailable
22
TOOL KIT
5B4-F8100-00-00
Unavailable
23
GAUGE, AIR
1XD-F811A-00-00
Unavailable
24
INSULATOR, HEAT
2MB-F2898-00-00
Unavailable
