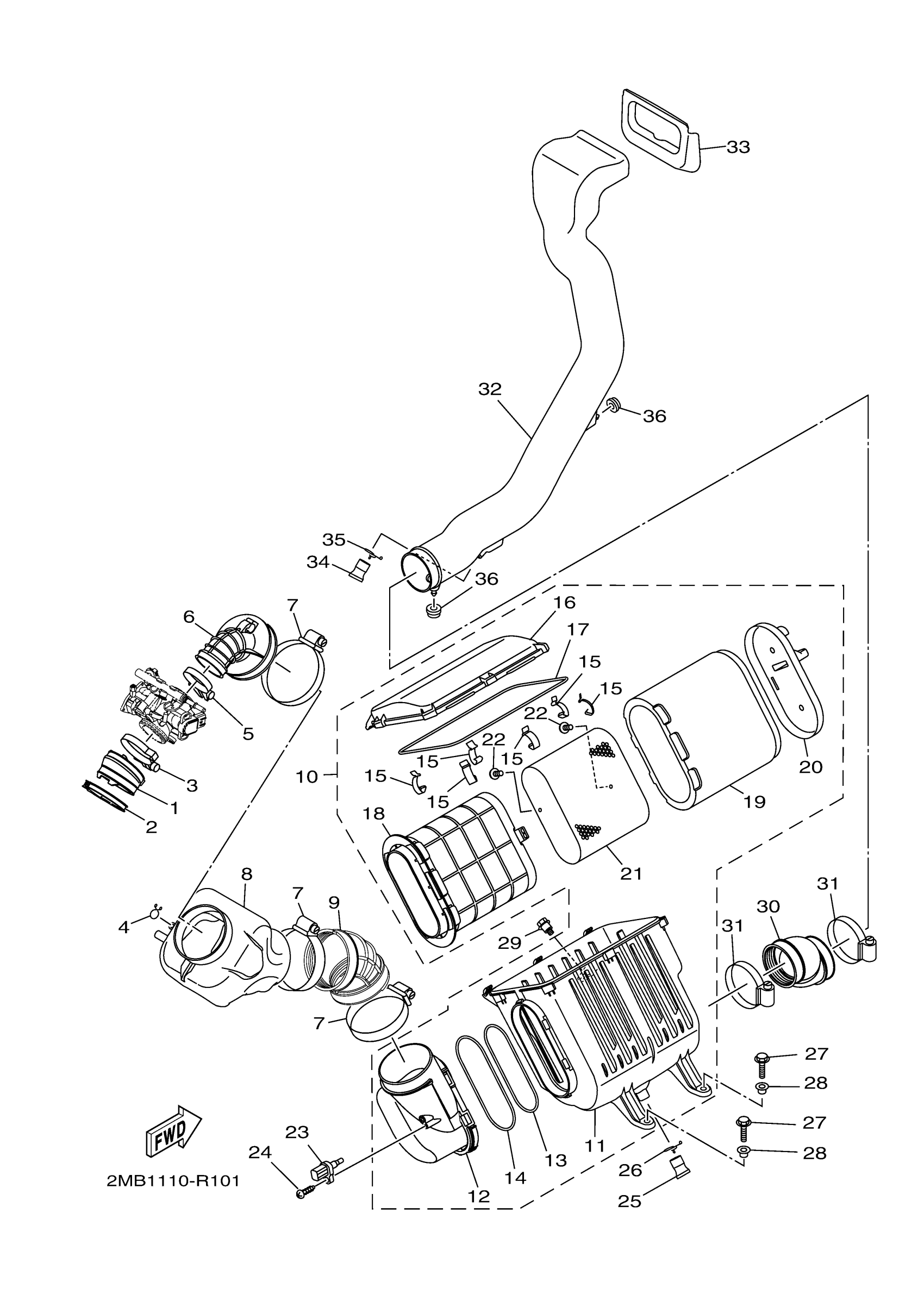
Yamaha YXE70WDBHH (WOLVERINE HUNTER) B356 2017 INTAKE Diagram
#
Description
Price
7
HOSE CLAMP ASSY
90450-99004-00
Unavailable
13
. SEAL
1XD-E4462-01-00
Unavailable
14
. SEAL
1XD-E4467-00-00
Unavailable
16
CAP, CLEANER CASE
1XD-E4412-01-00
Unavailable
17
SEAL
1XD-E4452-00-00
Unavailable
18
PLATE, ELEMENT
1XD-E4472-00-00
Unavailable
19
ELEMENT, AIR CLEAN
1XD-E4451-00-00
Unavailable
20
COVER 1
1XD-E4417-00-00
Unavailable
21
NET 2
1XD-E441B-00-00
Unavailable
22
SCREW
1XD-E4429-00-00
Unavailable
23
SENSOR, AIR TEMPERATURE
8FP-85886-00-00
Unavailable
24
SCREW, PANHEAD TAPPING
97702-50520-00
Unavailable
25
SEAL
59V-14457-00-00
Unavailable
26
CLIP
90467-220A1-00
Unavailable
27
BOLT, FLANGE
90105-06833-00
Unavailable
28
COLLAR 8111266500
90387-07037-00
Unavailable
29
BOLT
90109-06262-00
Unavailable
30
SEAL
2MB-E4476-00-00
Unavailable
31
HOSE CLAMP ASSY
90450-94001-00
Unavailable
32
DUCT
2PG-E443A-01-00
Unavailable
33
GASKET, DUCT
2MB-F839U-00-00
Unavailable
34
SEAL
59V-14457-00-00
Unavailable
35
CLIP
90467-220A1-00
Unavailable
36
GROMMET(4FU)
90480-13567-00
Unavailable
