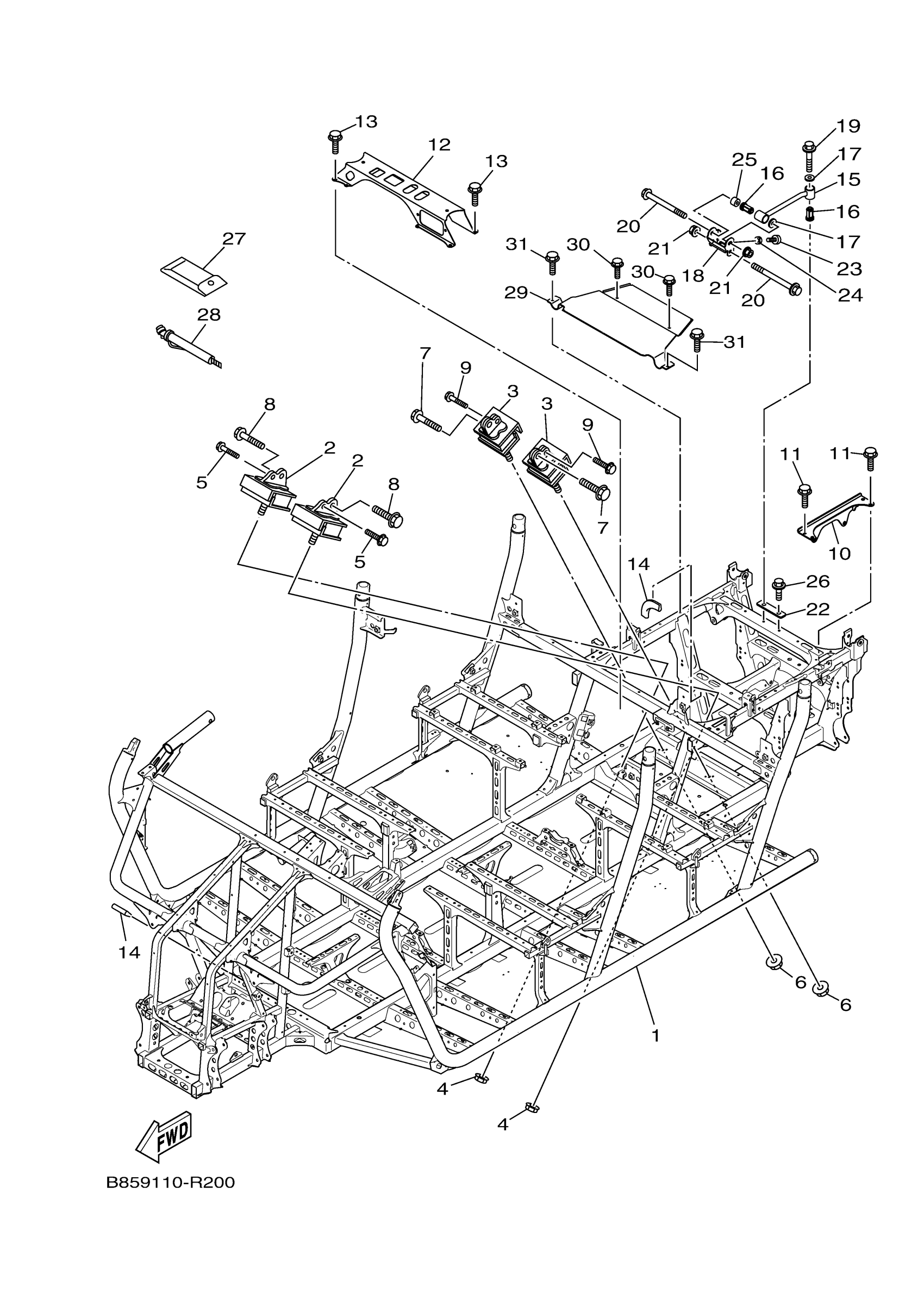
Yamaha YXC70VPXMG (VIKING VI EPS) BHE1 2021 FRAME Diagram
#
Description
Price
1
FRAME COMP.
B85-F1110-00-00
Unavailable
8
BOLT, FLANGE
90105-10314-00
Unavailable
10
STAY, SUPPORT 1
2PG-F831T-00-00
Unavailable
14
MOLE 3
4XY-28347-00-00
Unavailable
16
DAMPER, ENGINE MOU
5UH-E5336-00-00
Unavailable
17
DAMPER 2
5ND-F1486-00-00
Unavailable
18
BRACKET, DAMPER
B42-F1121-01-00
Unavailable
19
BOLT, FLANGE(7LU)
95817-10070-00
Unavailable
20
BOLT, FLANGE
95812-10100-00
Unavailable
21
NUT, S/L FLANGE
95602-10200-00
Unavailable
22
BRACKET
B42-F1158-00-00
Unavailable
23
SCREW PAN HEAD
98580-06020-00
Unavailable
24
NUT(650)
95380-06700-00
Unavailable
25
COLLAR
B42-F1116-00-00
Unavailable
26
BOLT, FLANGE
95817-10020-00
Unavailable
27
TOOL KIT
5B4-F8100-00-00
Unavailable
28
GAUGE, AIR
1XD-F811A-00-00
Unavailable
29
INSULATOR, HEAT
1XD-F2898-21-00
Unavailable
