- Partiron
- OEM Parts
- Yamaha
- motorcycle
- 1987
- YX600TC (RADIAN CA) 1987
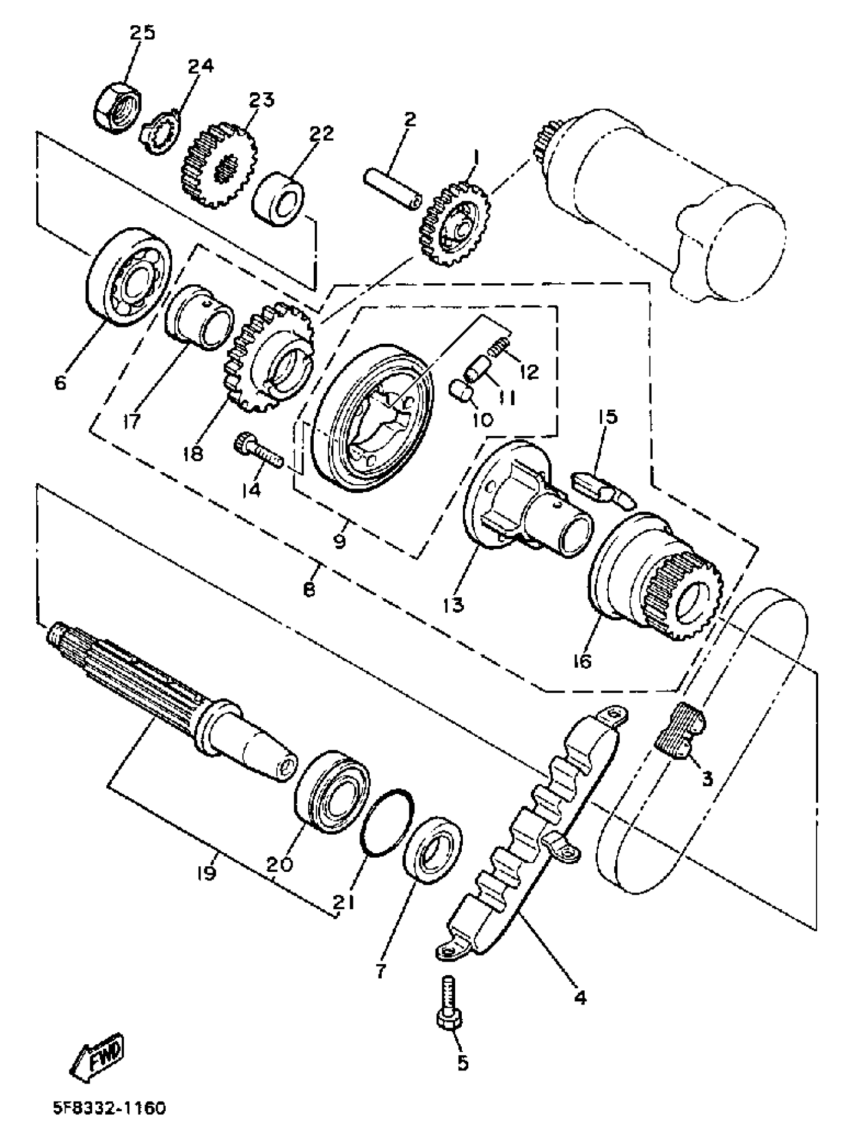
STARTER CLUTCH
Yamaha YX600TC (RADIAN CA) 1987 STARTER CLUTCH Diagram
#
Description
Price
1
GEAR, IDLER 1
4G0-15512-00-00
Unavailable
2
SHAFT 1
3TJ-15521-00-00
Unavailable
3
CHAIN, PRIMARY
4G0-16139-00-00
Unavailable
4
GUIDE, UPPER
33M-11474-00-00
Unavailable
8
CLUTCH DAMPER ASSEMBLY
(4G0-16306-01-00)
Unavailable
9
. STARTER CLUTCH OUTER ASSEMBLY
3GM-15580-00-00
Unavailable
13
. WHEEL, STARTER
4G0-15524-01-00
Unavailable
16
. GEAR, DRIVEN (22T)
4G0-11537-00-00
Unavailable
17
. COLLAR
90387-256A1-00
Unavailable
18
. GEAR, IDLER 2
4G0-15517-00-00
Unavailable
19
SHAFT ASSEMBLY
4G0-11406-00-00
Unavailable
20
BEARING (4G0)
93306-20545-00
Unavailable
21
O-RING (4G0)
93210-47440-00
Unavailable
22
COLLAR
90387-216L0-00
Unavailable
23
GEAR, PRIMARY DRIVE (28T)
4U8-16111-00-00
Unavailable
24
WASHER, LOCK (4G0)
90215-19226-00
Unavailable
25
NUT
90179-16319-00
Unavailable
