- Partiron
- OEM Parts
- Yamaha
- motorcycle
- 1987
- YX600TC (RADIAN CA) 1987
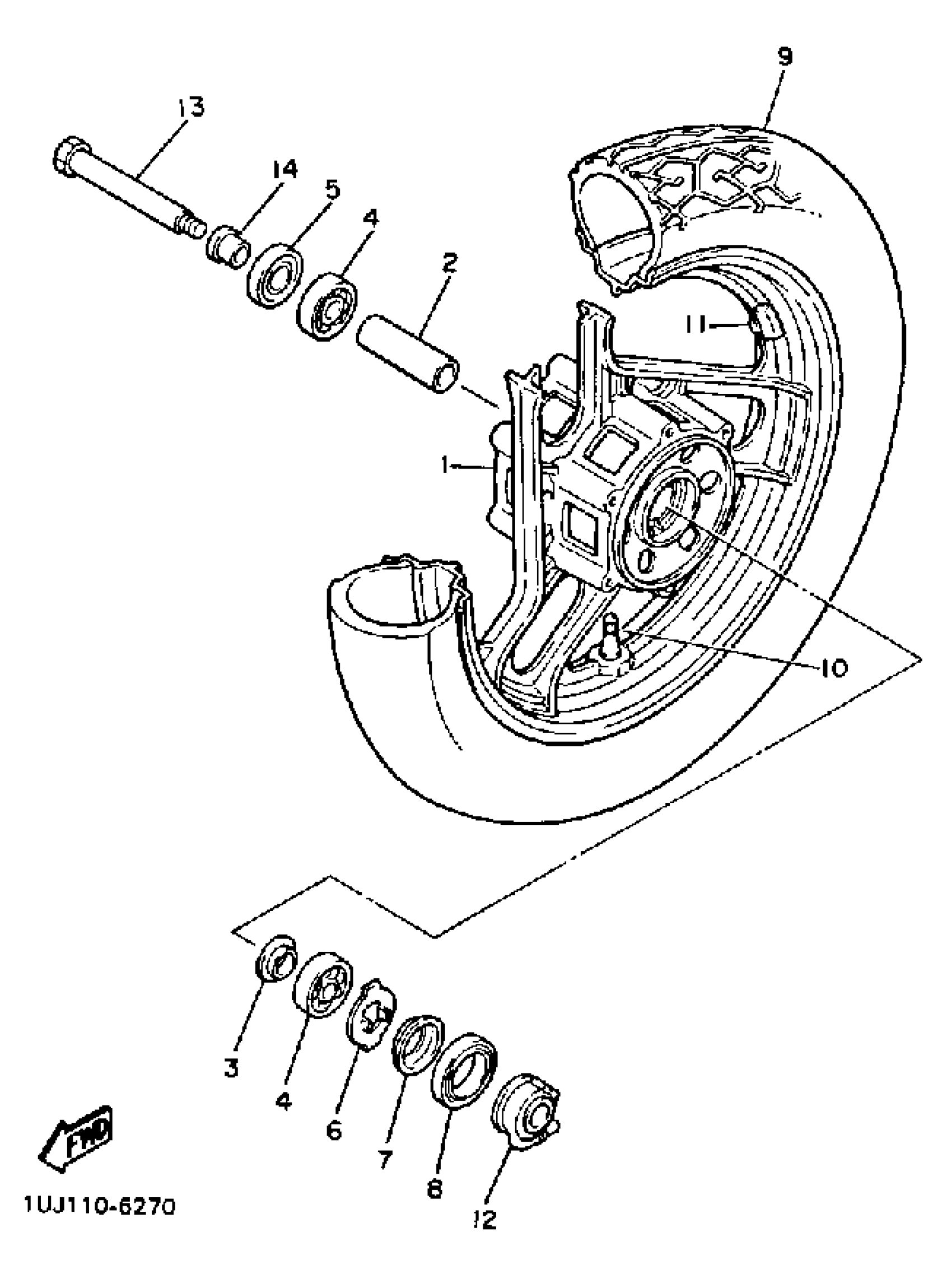
FRONT WHEEL
Yamaha YX600TC (RADIAN CA) 1987 FRONT WHEEL Diagram
#
Description
Price
1
WHEEL, CAST FRONT
1UJ-25168-00-8L
Unavailable
2
SPACER
90560-15116-00
Unavailable
9
110/90-16 G527 BS (110/90-16 59H G527A)
94111-166J7-00
Unavailable
11
BALANCER, WHEEL
5MT-25398-20-00
Unavailable
12
GEAR UNIT ASSY
3M5-25190-10-00
Unavailable
13
AXLE, WHEEL
10W-25381-00-00
Unavailable
14
COLLAR (1L9)
90387-15550-00
Unavailable
