- Partiron
- OEM Parts
- Yamaha
- motorcycle
- 1987
- YX600TC (RADIAN CA) 1987
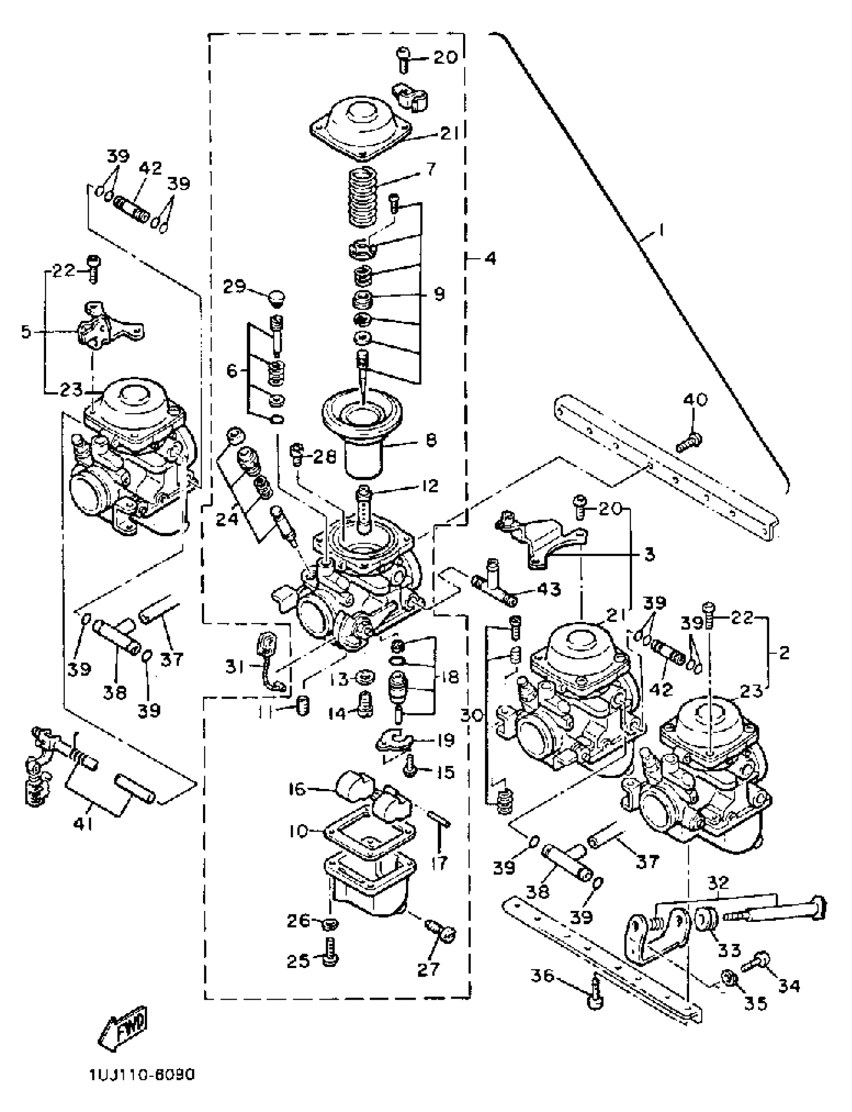
CARBURETOR
Yamaha YX600TC (RADIAN CA) 1987 CARBURETOR Diagram
#
1
UNAVAILABLE IN PRICE BOOK
[1U-J1490-00-00
Unavailable
2
CARBURETOR ASSEMBLY 1
(1UL-14901-00-00)
Unavailable
2
. CARBURETOR ASSEMBLY 1
1UL-14901-01-00
Unavailable
3
CARBURETOR ASY 2
1UJ-14902-02-00
Unavailable
3
CARBURETOR ASSEMBLY 2
(1UL-14902-00-00)
Unavailable
4
. CARBURETOR ASSEMBLY 3
1UL-14903-01-00
Unavailable
5
. CARBURETOR ASSEMBLY 4
1UL-14904-00-00
Unavailable
5
CARBURETOR ASSY 4
1UL-14904-02-00
Unavailable
7
.. SPRING, DIAPHRAGM
4U8-14933-00-00
Unavailable
8
.. DIAPHRAGM ASSEMBLY
33M-14940-00-00
Unavailable
9
.. NEEDLE SET
1UJ-1490J-00-00
Unavailable
9
NEEDLE SET
(1UK-1490J-00-00)
Unavailable
9
NEEDLE SET
1UL-1490J-00-00
Unavailable
9
NEEDLE SET
1UL-1490J-00-00
Unavailable
10
GASKET, FLOAT CHAMBER
46X-14984-00-00
Unavailable
11
JET, PILOT (# 30)
4G0-14142-30-00
Unavailable
12
.. NOZZLE MAIN
1UJ-14141-36-00
Unavailable
13
WASHER,MAIN JET
137-14153-00-00
Unavailable
14
JET,MA1N #97.5
620-1423A-70-A0
Unavailable
15
SCREW, PAN HEAD(3XP)
98517-04006-00
Unavailable
16
FLOAT
4G0-14985-00-00
Unavailable
17
PIN, FLOAT
537-14186-00-00
Unavailable
18
NEEDLE VALVE SET
25G-14107-23-00
Unavailable
19
. PLATE
2H0-14146-00-00
Unavailable
20
SCREW, PAN HEAD(62X)
97885-05010-00
Unavailable
21
.. COVER, DIAPHRAGM
33M-14958-00-00
Unavailable
22
SCREW, PAN HEAD(62X)
97885-05010-00
Unavailable
23
.. COVER, DIAPHRAGM
35J-14958-00-00
Unavailable
24
.. STARTER SET
33M-1410A-00-00
Unavailable
25
SCREW, PAN HEAD(GA5)
98580-04014-00
Unavailable
26
YBS67-4 WASHER, SPRING
92990-04100-00
Unavailable
27
PLUG, DRAIN
12R-14191-00-00
Unavailable
28
JET, MAIN (#135)
3G2-14231-27-00
Unavailable
29
CAP
3F9-14118-00-00
Unavailable
30
. STOP SCREW SET
1UJ-1490K-01-00
Unavailable
31
. CABLE
4G0-14130-00-00
Unavailable
32
. THROTTLE SCREW SET
31A-14103-00-00
Unavailable
33
. BUSH
4G0-14998-00-00
Unavailable
34
SCREW, PAN HEAD(62X)
97885-05010-00
Unavailable
35
YBS67-5 WASHER, SPRING
92990-05100-00
Unavailable
36
SCREW, PAN
98507-06014-00
Unavailable
37
HOSE
50H-14987-00-00
Unavailable
38
. PIPE, STARTER CON
4V7-14988-00-00
Unavailable
39
O-RING
36Y-14147-00-00
Unavailable
40
SCREW, PAN HEAD(62X)
97885-05010-00
Unavailable
41
. STARTER LEVER SET
1UJ-1490L-00-00
Unavailable
42
. PIPE, STARTER CON
4G0-14988-00-00
Unavailable
43
PIPE, STARTER CONNECTING
4U8-14988-00-00
Unavailable
