Partiron

Yamaha YX600SC (RADIAN CA) 1986 STARTING MOTOR Diagram

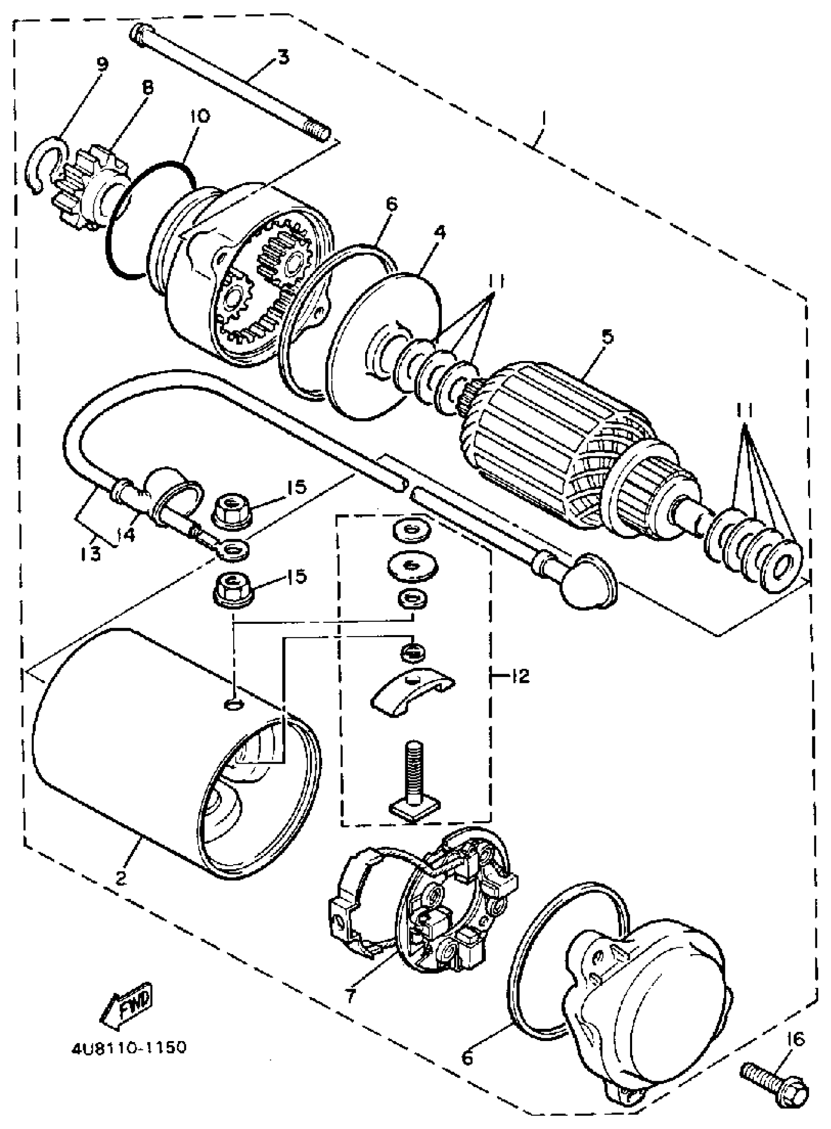
#

Description
Price

1

STARTING MOTOR ASY

3KM-81890-00-00

Unavailable

2

STATOR ASSEMBLY

(4V8-81810-00-00)

Unavailable

3

BOLT

(4G0-81826-00-00)

Unavailable

4

. PLATE

4G0-81845-20-00

Unavailable

5

. ARMATURE ASSEMBLY

4G0-81850-00-00

Unavailable

6

GASKET

4G0-81844-00-00

Unavailable

7

. BRUSH HOLDER ASSEMBLY

4G0-81840-00-00

Unavailable

8

GEAR, STARTING MTR

(4G0-15511-00-00)

Unavailable

9

CIRCLIP(10Y)

99009-12400-00

$3.59

10

O-RING

4G0-81847-00-00

Unavailable

11

. WASHER KIT

4G0-81809-00-00

Unavailable

12

. BOLT 2

4G0-81828-00-00

Unavailable

13

. WIRE, STARTER

4G0-81815-00-00

Unavailable

14

.. CAP

5H0-81871-00-00

Unavailable

15

NUT, SPECIAL

(4G0-81872-00-00)

Unavailable

16

BOLT, FLANGE

95817-06025-00

Unavailable