- Partiron
- OEM Parts
- Yamaha
- motorcycle
- 1986
- YX600SC (RADIAN CA) 1986
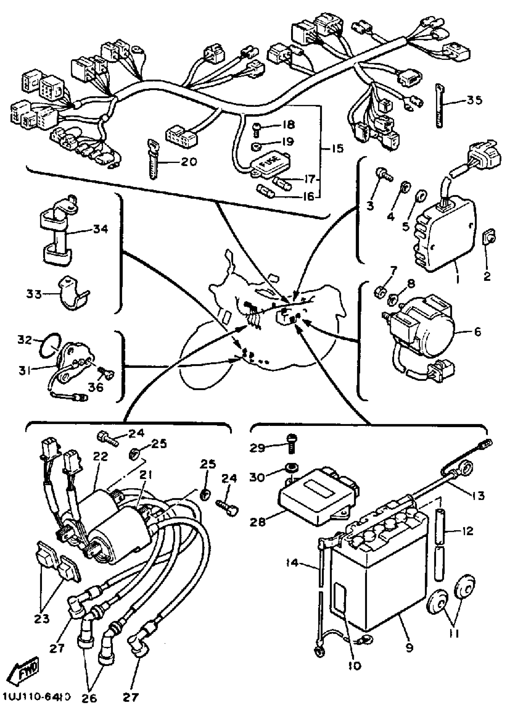
ELECTRICAL 1
Yamaha YX600SC (RADIAN CA) 1986 ELECTRICAL 1 Diagram
#
1
RECTIFIER & REGULATOR ASSY
3G1-81960-A1-00
Unavailable
2
NUT, PLATE
4G0-21736-00-00
Unavailable
3
SCREW, PAN HEAD(6E0)
97885-06030-00
Unavailable
4
WASHER, SPRING
92995-06100-00
Unavailable
8
WASHER, SPRING
92995-06100-00
Unavailable
9
12N12A-4A-1 YUASA BATTERY
12N-12A4A-1Y-00
Unavailable
10
LABEL, BATTERY
40A-82141-G0-00
Unavailable
13
WIRE, PLUS LEAD
4G0-82115-00-00
Unavailable
14
WIRE, MINUS LEAD
4G0-82116-00-00
Unavailable
15
WIRE HARNESS ASSEMBLY (T)
1UJ-82590-00-00
Unavailable
16
FUSE
1A0-82161-00-00
Unavailable
17
FUSE
1A0-82151-00-00
Unavailable
18
SCREW, PAN HEAD(62J)
97885-06012-00
Unavailable
20
BAND, SWITCH CORD
437-83936-11-00
Unavailable
21
IGNITION COIL ASSY
4G0-82310-09-00
Unavailable
22
IGNITION COIL ASSY
4G0-82310-09-00
Unavailable
23
DAMPER, IGNITION COIL
4U8-82317-00-00
Unavailable
24
BOLT(3DM)
97024-06020-00
Unavailable
25
WASHER, SPRING
92995-06100-00
Unavailable
26
PLUG CAP ASSY
3NS-82370-00-00
Unavailable
27
PLUG CAP ASSY
4BP-82370-01-00
Unavailable
28
IGNITOR UNIT ASSEMBLY 1
1UJ-82305-10-00
Unavailable
29
SCREW, PAN HEAD(62J)
97885-06012-00
Unavailable
31
NEUTRAL SWITCH ASSY
1L9-82540-00-00
Unavailable
32
O-RING (371)
93210-29196-00
Unavailable
33
CLAMP
90462-08087-00
Unavailable
34
CLAMP
90462-08087-00
Unavailable
35
BAND
341-26397-01-00
Unavailable
36
SCREW, FLAT
98707-05012-00
Unavailable
