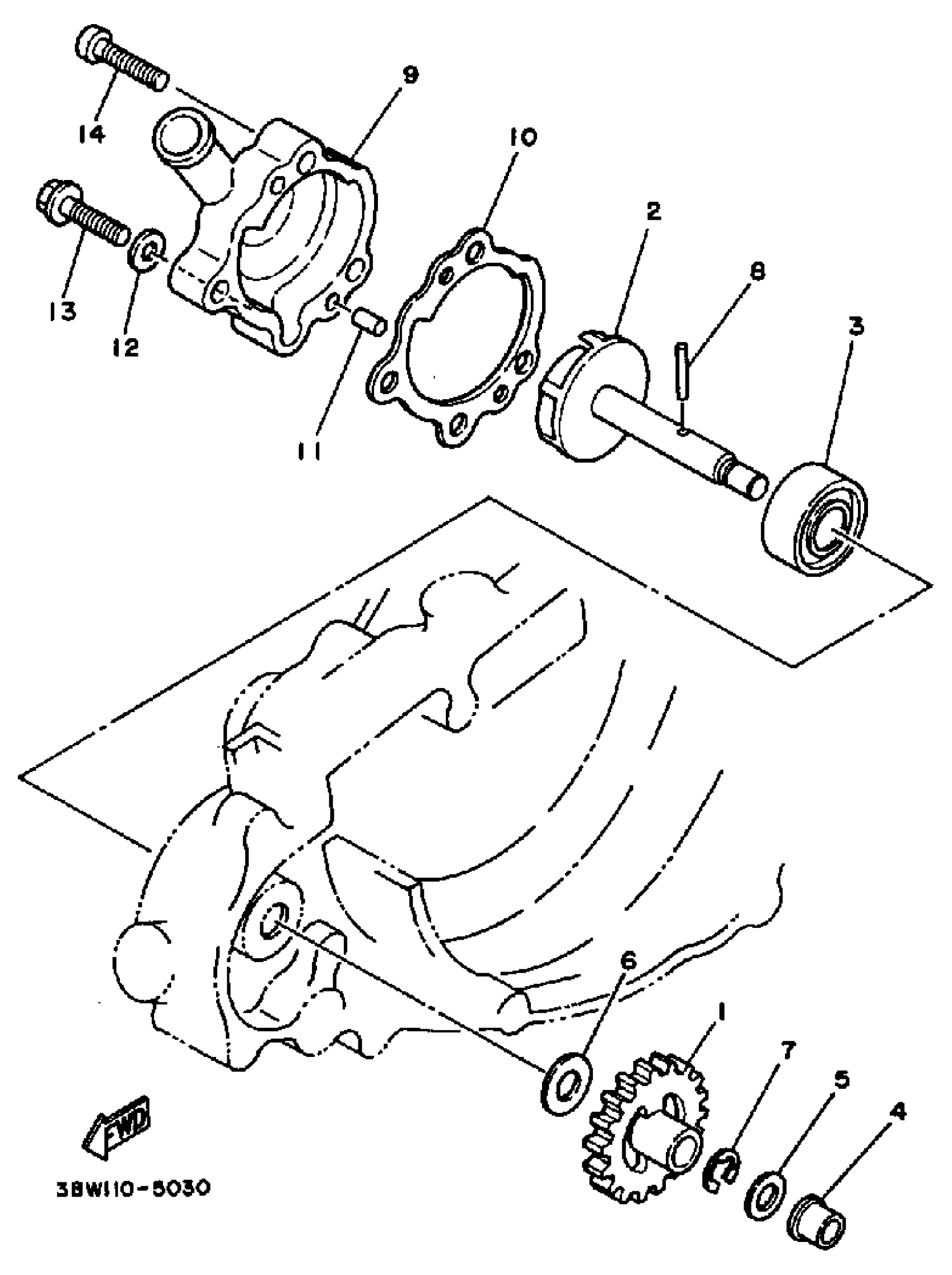
Yamaha YTZ250S 1986 WATER PUMP Diagram
#
Description
Price
1
GEAR, IMPELLER SHAFT
39X-12459-00-00
Unavailable
7
CIRCLIP
99080-07600-00
Unavailable
9
COVER, HOUSING
24Y-12422-00-00
Unavailable
10
GASKET, COVER HOUSING
5X5-12428-01-00
Unavailable
13
BOLT, FLANGE
95817-06025-00
Unavailable
