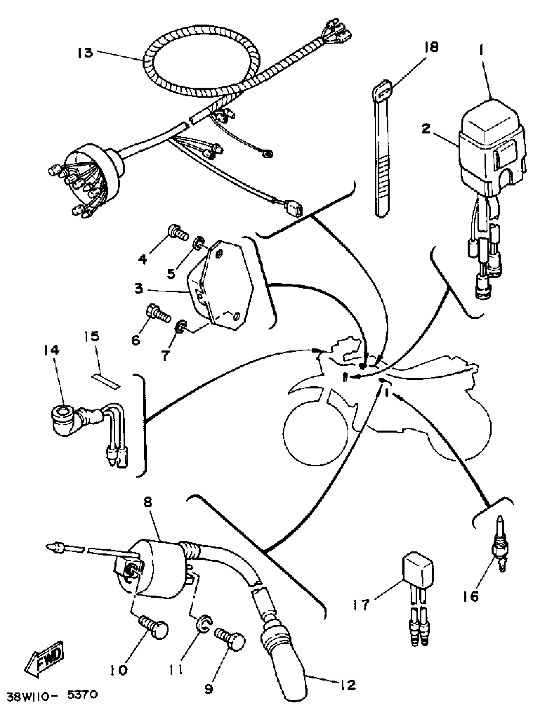
Yamaha YTZ250N 1985 ELECTRICAL 1 Diagram
#
Description
Price
1
CDI UNIT ASSEMBLY
38W-85540-20-00
Unavailable
2
BAND
2A7-85546-00-00
Unavailable
8
IGNITION COIL ASSY
3SR-82310-10-00
Unavailable
11
WASHER, SPRING
92995-06100-00
Unavailable
13
WIRE HARNESS ASSEMBLY
38W-82590-00-00
Unavailable
15
LABEL
38W-83585-00-00
Unavailable
16
OIL LVL SWITCH ASSEMBLYASSY
38W-82560-00-00
Unavailable
17
CHECKER, PILOT LAMP
38W-85774-00-00
Unavailable
18
BAND, SWITCH CORD
437-83936-01-00
Unavailable
