Partiron

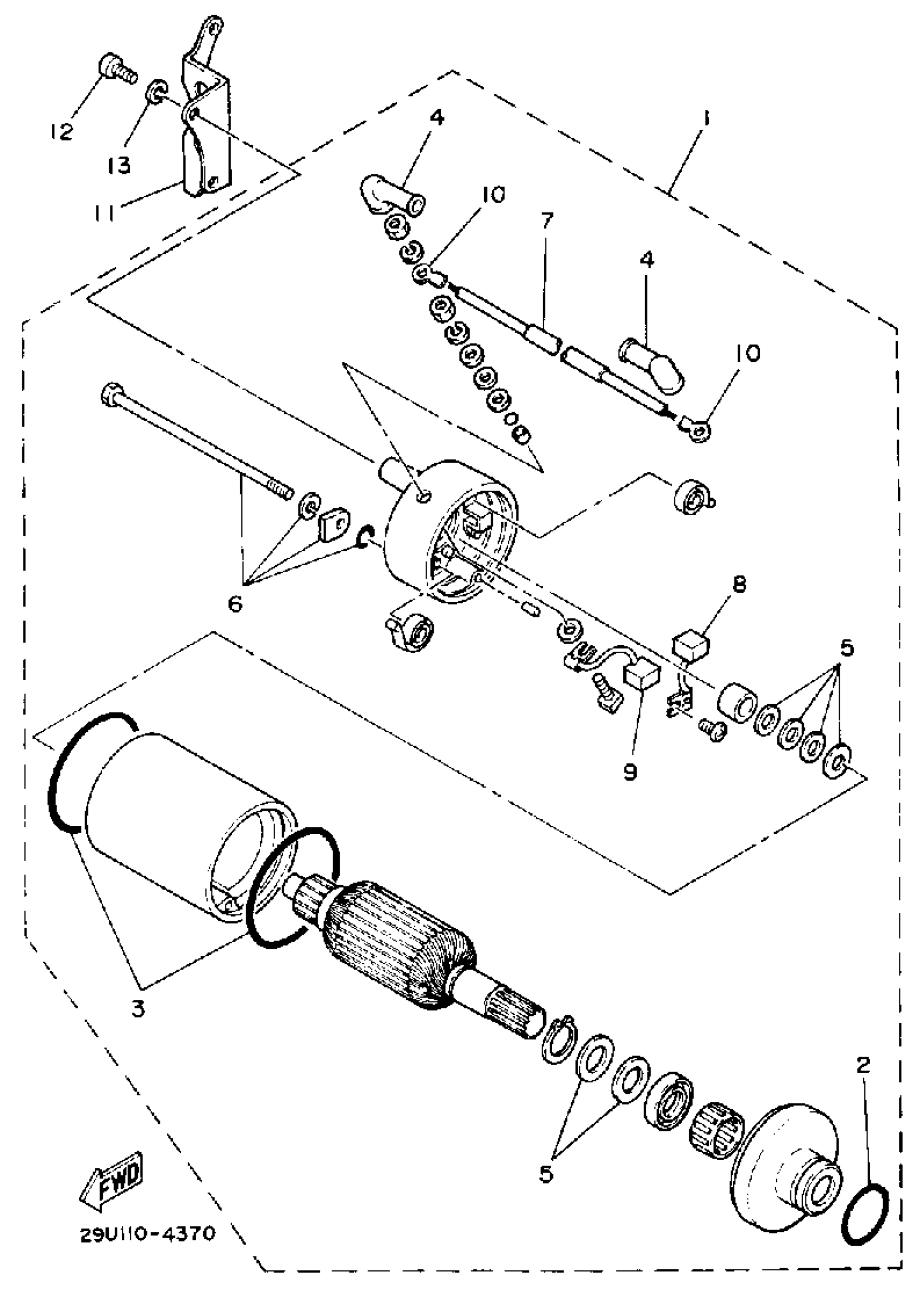
Yamaha YTM225DXN 1985 STARTING MOTOR Diagram

#

Description
Price

1

STARTING MOTOR ASSEMBLY (24W-81800-60)

29U-81800-61-00

Unavailable

2

. O-RING

5H0-81847-01-00

Unavailable

3

GASKET

5H0-81844-01-00

Unavailable

4

.. CAP

5H0-81871-00-00

Unavailable

5

. WASHER KIT

5H0-81809-00-00

Unavailable

6

. BOLT

5H0-81826-00-00

Unavailable

7

. WIRE, STARTER

29U-81815-00-00

Unavailable

8

BRUSH 1

5H0-81811-00-00

Unavailable

9

BRUSH 2

5H0-81812-00-00

$25.99

10

. TERMINAL SET

5H0-81818-00-00

Unavailable

11

STAY, STARTING MOTOR

24W-81823-00-00

Unavailable

12

SCREW, PAN HEAD(3TJ)

98507-06016-00

$3.48

13

WASHER, SPRING

92907-06100-00

$4.25