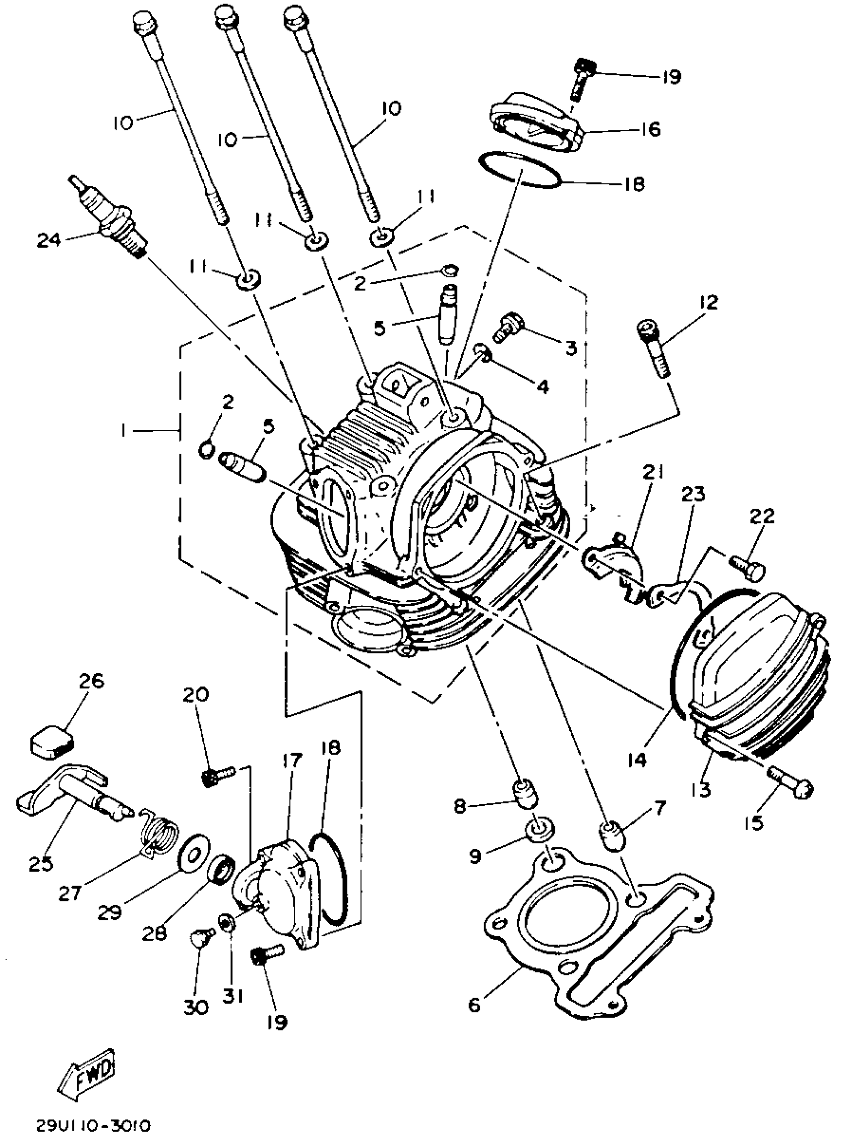
Yamaha YTM225DXK 1983 CYLINDER HEAD Diagram
#
Description
Price
4
GASKET 256113960000
90430-06014-00
Unavailable
12
BOLT, SOCKET
91317-08045-00
Unavailable
16
COVER, CYLINDER HEAD SIDE 2
15A-11186-00-00
Unavailable
17
COVER, CYLINDER HEAD SIDE 3
21V-11187-01-00
Unavailable
18
O-RING
93210-57634-00
Unavailable
19
BOLT,SOCKET
91317-06018-00
Unavailable
20
BOLT,SOCKET
91317-06018-00
Unavailable
21
PLATE
5H0-1111F-00-00
Unavailable
22
BOLT (661)
97013-06012-00
Unavailable
23
WASHER, LOCK (5H0)
90215-06184-00
Unavailable
24
D7EA NGK SPLUG 10PK
D7E-A0000-00-00
Unavailable
25
CAM
24W-12288-00-00
Unavailable
26
COVER, LEVER
24W-12275-00-00
Unavailable
27
SPRING, TORSION
90508-12610-00
Unavailable
28
SEAL, OIL (30X)
93102-12321-00
Unavailable
29
WASHER
90201-12588-00
Unavailable
30
BOLT (583 TACHOMETER)
90109-06418-00
Unavailable
31
GASKET 256113960000
90430-06014-00
Unavailable
