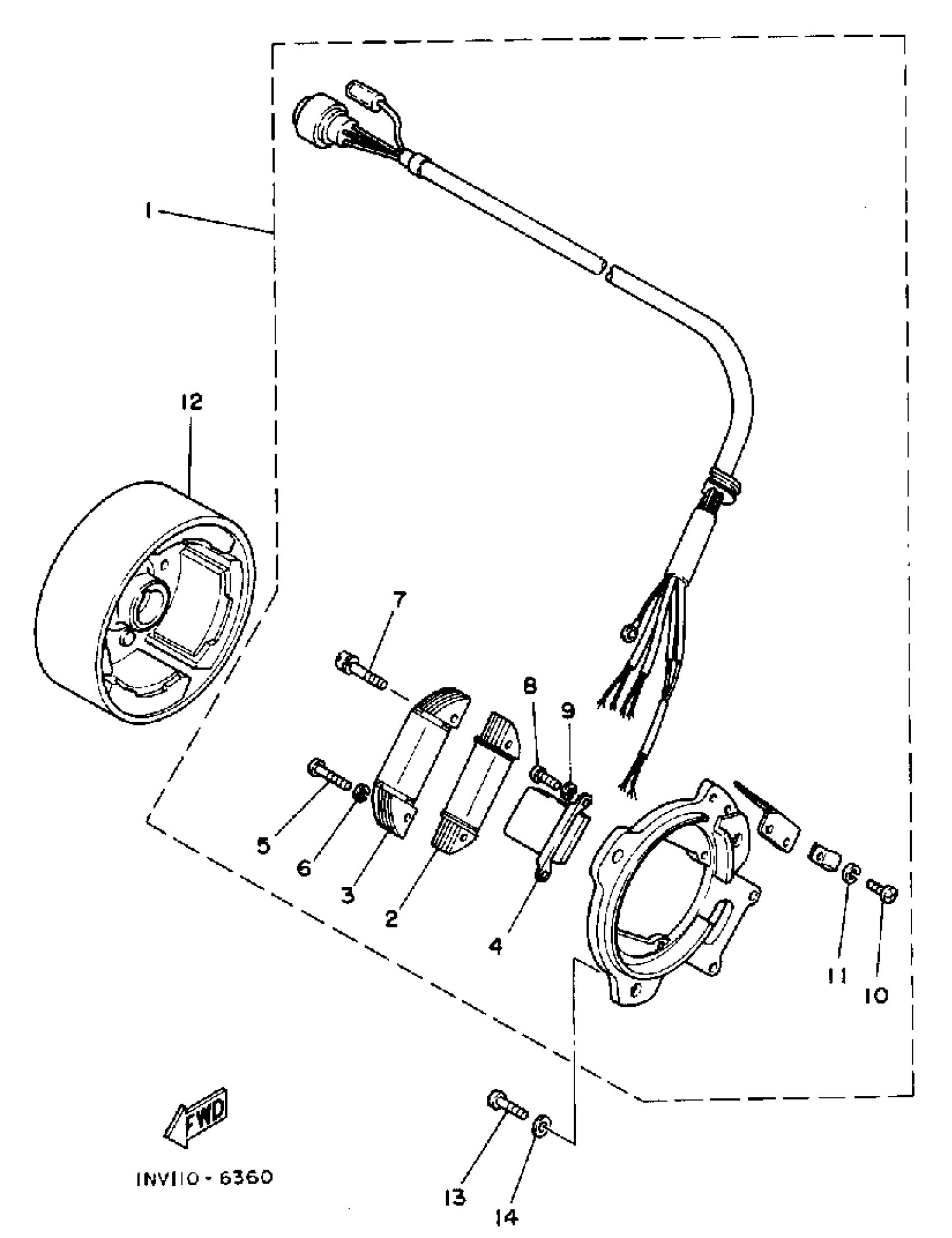
Yamaha YTM225DRS 1986 GENERATOR Diagram
#
Description
Price
1
STATOR ASSEMBLY (24W-85510-20)
29U-85510-20-00
Unavailable
2
. COIL SOURCE 2
21V-85512-20-00
Unavailable
3
. COIL, LIGHTING 1
24W-85513-20-00
Unavailable
4
COIL,PULSER
59V-85580-20-00
Unavailable
7
SCREW,PAN HEAD
98517-04030-00
Unavailable
8
SCREW, PAN HEAD(62X)
97885-05010-00
Unavailable
12
ROTOR ASSEMBLY
29U-85550-21-00
Unavailable
